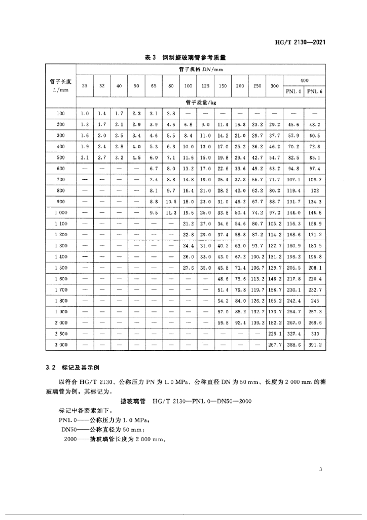
HG/T 2130-2021 搪玻璃管

行业标准 推荐性 现行

标准状态

  1. 发布于:
  2. 实施于:
  3. 废止

标准详情

  • 中国标准分类号:G94
    国际标准分类号:71.120;25.220.50
  • 代替标准:HG/T 2130-2014
  • 提出单位:中国石油和化学工业联合会
    主管部门:工业和信息化部

起草单位

无锡市钱桥化工机械有限公司、靖江方大精密成型技术有限公司、天华化工机械及自动化研究设计院有限公司、上海市特种设备监督检验技术研究院、化学工业非金属材料和设备质量监督检验中心

起草人

周科、未志华、洪杰、杨宇清、张旭、贺正文、桑临春

标准预览(共 7 页)

* 特别声明:资源收集自网络或用户上传,版权归原作者所有,如侵犯您的权益,请联系我们处理。

  • 标准质量:
  • 文档详情:1.2MB 共 7 页 PDF

标准搜索