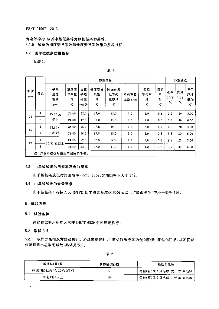
FZ/T 21007-2013 山羊绒绒条

行业标准 推荐性 现行

标准状态

  1. 发布于:
  2. 实施于:
  3. 废止

标准详情

  • 中国标准分类号:W21
    国际标准分类号:59.080.30
  • 提出单位:
    主管部门:工业和信息化部

起草单位

宁波康赛妮纺织品有限公司(康赛妮集团)、上海市毛麻纺织科学技术研究所等

起草人

陈思唯、朱贤康 等

标准预览(共 7 页)

* 特别声明:资源收集自网络或用户上传,版权归原作者所有,如侵犯您的权益,请联系我们处理。

  • 标准质量:
  • 文档详情:318.82KB 共 7 页 PDF

标准搜索