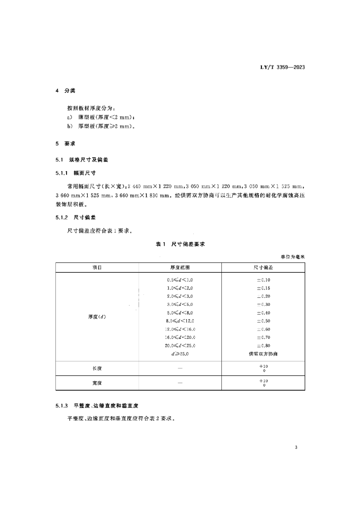
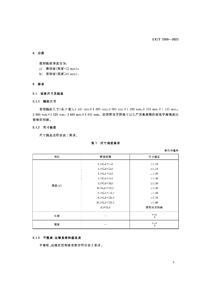
LY/T 3359-2023 耐化学腐蚀高压装饰层积板

行业标准 推荐性 现行

标准状态

  1. 发布于:
  2. 实施于:
  3. 废止

标准详情

  • 中国标准分类号:B70
    国际标准分类号:79.060.99
  • 提出单位:国家林业和草原局
    主管部门:国家林业和草原局

起草单位

中国林业科学研究院木材工业研究所、威盛亚(上海)有限公司、上海木材工业研究所有限公司、河南永威复合新材料有限公司、江苏天润盛凯新材料股份有限公司、上海富美家装饰材料有限公司、浙江瑞欣装饰材料有限公司、常州鑫德源恒耐火板装饰材料股份有限公司、江苏佳饰家新材料集团股份有限公司、常州检验检测标准认证研究院、临沂市检验检测中心、湖州市检验检测中心、万华禾香板业(荆门)有限责任公司、宿州学院

起草人

李晓玲、段新芳、赵有科、赵青、杨虹、金凯、王晨、田启魁、徐明华、孙晓义、安鑫、卢利明、曹春清、刘化冰、骆清友、杨宇华、丁卉、郑洪连、吴乐章、吴龙飞、张训亚、盛嘉琨、吴臻、李玉锋、侯鹤、金超、邓超、孙凤亮、程洪亮、单志超、杨志坚

标准预览(共 14 页)

* 特别声明:资源收集自网络或用户上传,版权归原作者所有,如侵犯您的权益,请联系我们处理。

  • 标准质量:
  • 文档详情:2.71MB 共 14 页 PDF

标准搜索