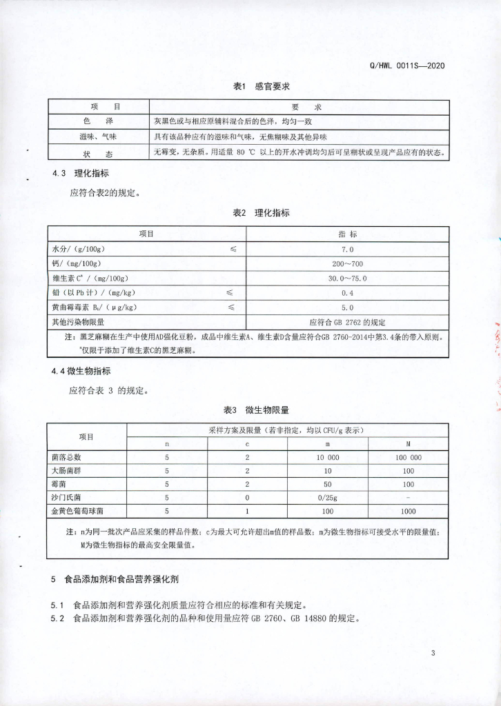
Q/HWL 0011S-2020 黑芝麻糊(III)
* 特别声明:资源收集自网络或用户上传,版权归原作者所有,如侵犯您的权益,请联系我们处理。
- 标准质量:
- 文档详情:2.5MB 共 8 页 PDF
标准搜索
搜索帮助相关推荐
- 1Q/BQSY 0021S-2024 凉粉类冲调方便食品
- 2Q/ZSS 01-2025 速溶抗盐共聚物 生物胶 SSFC-1
- 3Q/MRJY 0001S-2023 重阳酒 广西融水元宝山苗润特色酒业有限公
- 4Q/CR 582.3-2017 机车、动车用柴油机零部件 第3部分:进排气波纹管组件
- 5Q/SY 08126.3-2022 油气田现场安全检查规范 第3部分:油气集输作业
- 6Q/CR 9249-2020 铁路隧道湿喷混凝土施工技术规程
- 7Q/CR 851-2021 铁路通信铁塔监测系统
- 8Q/LLX 0003S-2023 红油 广西柳螺鲜食品有限公司 (企业申请废止)
- 9Q/SY 1202-2009 油气管道工业电视监控系统技术规范
- 10Q/CR 864.4-2021 列控中心接口规范 第4部分:列控中心与地面电子单元接口(串行通信)
- 11Q/SY 08006-2017 转盘/转筒/转刷式收油机回收速率和回收效率试验方法
- 12Q/GDW 13266.2-2018 750kV交流输电线路用带外串联间隙金属氧化物避雷器采购标准 第2部分:YH20CX-588/1608线路用带外串联空气间隙金属氧化物
- 13Q/CR 9207-2017 铁路混凝土工程施工技术规程
- 14Q/CR 849-2021 铁路光缆监测系统技术条件
- 15QB-xxx SPN及PTN OMC北向接口业务配置技术规范(中国移动通信企业标准)




