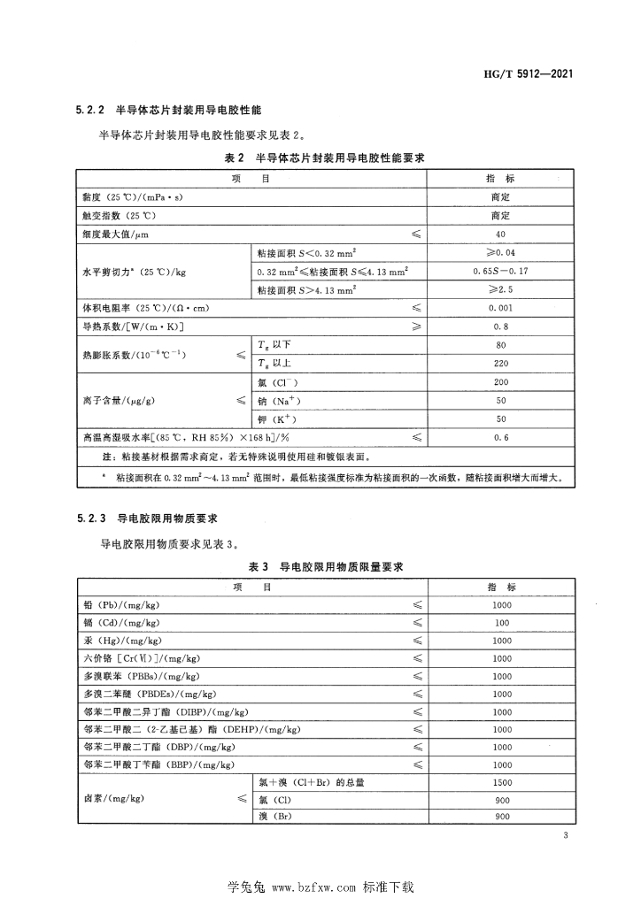
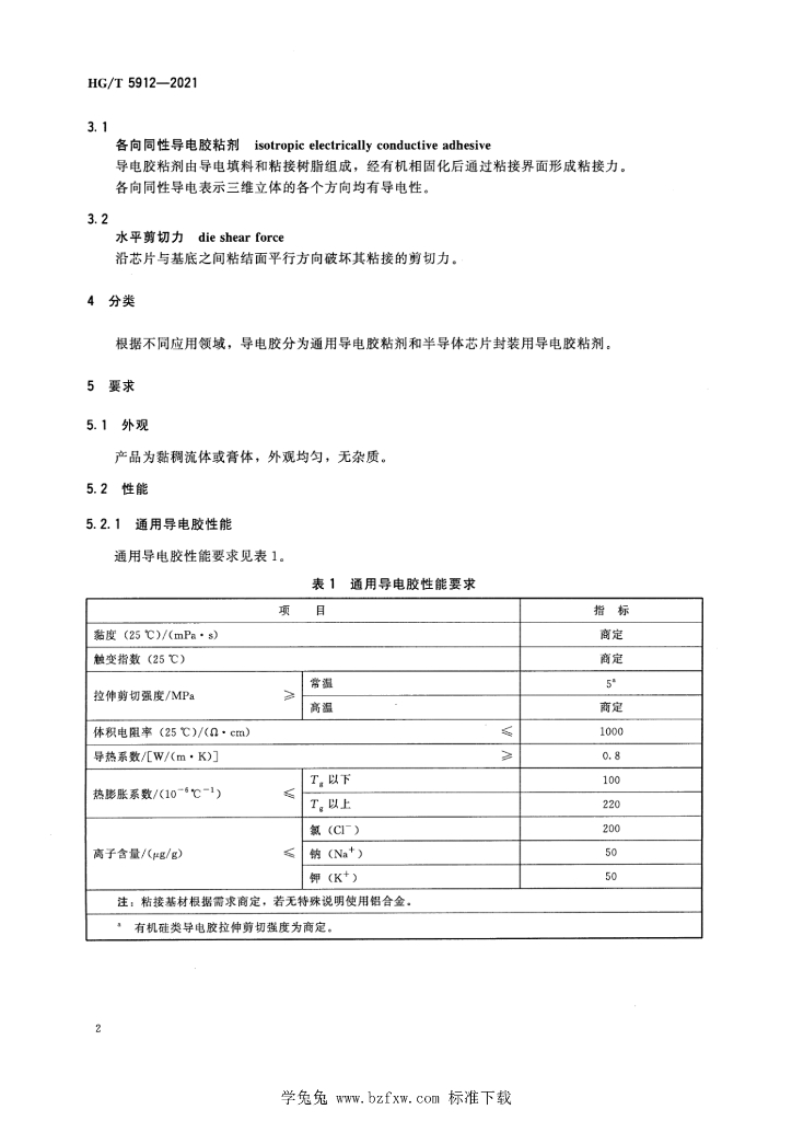
HG/T 5912-2021 导电胶粘剂

行业标准 推荐性 现行

标准状态

  1. 发布于:
  2. 实施于:
  3. 废止

标准详情

  • 中国标准分类号:G39
    国际标准分类号:83.18
  • 提出单位:中国石油和化学工业联合会
    主管部门:工业和信息化部

起草单位

上海橡胶制品研究所有限公司、长春永固科技有限公司、上海本诺电子材料有限公司、中蓝晨光化工研究设计院有限公司、杭州之江有机硅化工有限公司、北京天山新材料技术有限公司、上海腾烁电子材料有限公司

起草人

郑岩、沈雁、杜伟、王洪、桑广艺、周德辉、吴进、杨楠、张建平、李文明

标准预览(共 16 页)

* 特别声明:资源收集自网络或用户上传,版权归原作者所有,如侵犯您的权益,请联系我们处理。

  • 标准质量:
  • 文档详情:3.63MB 共 16 页 PDF

标准搜索