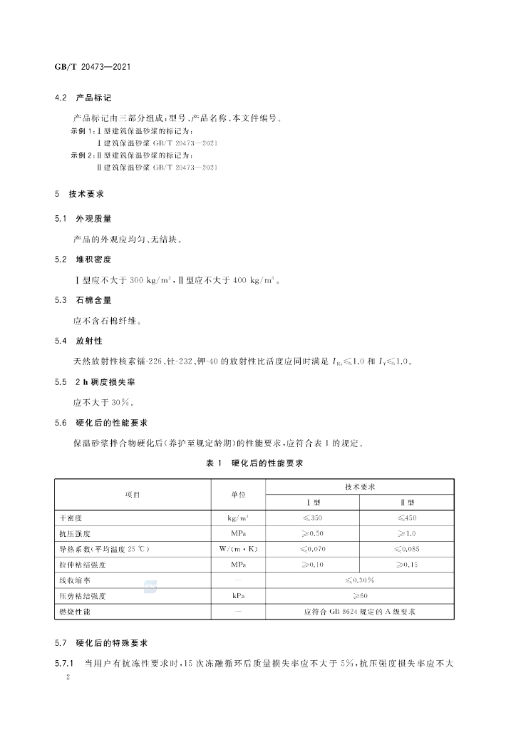
GB/T 20473-2021 建筑保温砂浆

国家标准 推荐性 现行

标准状态

  1. 发布于:
  2. 实施于:
  3. 废止

标准详情

  • 中国标准分类号:Q25
    国际标准分类号:91.100.60
  • 代替标准:GB/T 20473-2006
  • 提出单位:
    主管部门:中国建筑材料联合会

起草单位

河南建筑材料研究设计院有限责任公司、郑州市建设工程质量检测有限公司、健研检测集团有限公司、河南永盛环境检测工程有限公司、上海闵衡建筑检测研究所有限公司、河南省基本建设科学试验研究院有限公司、河南省诚建检验检测技术股份有限公司、河南新绘检测技术服务有限公司、山东华邦建设集团有限公司、岳阳市市政建设有限公司、富思特新材料科技发展股份有限公司、深圳市建艺装饰集团股份有限公司、北京建工新型建材有限责任公司、上海建科检验有限公司、北京建筑材料检验研究院有限公司、河南省建筑科学研究院有限公司、江苏申达检验有限公司、上

起草人

张茂亮、李建伟、高耀宾、刘山山、白召军、朱悦、陈建萍、李青山、贾金红、米金玲、马炎、李国军、梁坤跃、于岩峰、陈建国、刘东华、李献民、张程浩、华治国、马挺、薛飞、徐振宇、路瑞娟、王振华、钦炳华、李宝琦、李永鑫、李静、张珂、崔子鸣、林亨调、万军辉、王建国、刘海云

标准预览(共 15 页)

* 特别声明:资源收集自网络或用户上传,版权归原作者所有,如侵犯您的权益,请联系我们处理。

  • 标准质量:
  • 文档详情:1.12MB 共 15 页 PDF

标准搜索