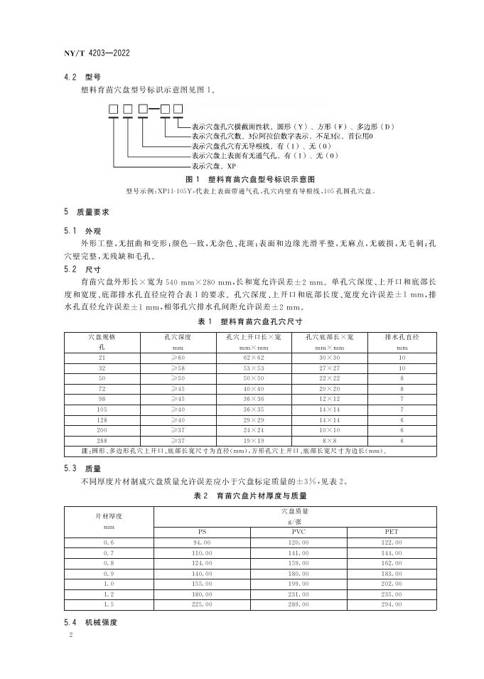
NY/T 4203-2022 塑料育苗穴盘

行业标准 推荐性 现行

标准状态

  1. 发布于:
  2. 实施于:
  3. 废止

标准详情

  • 中国标准分类号:B05
    国际标准分类号:65.060.30
  • 提出单位:农业农村部种业管理司
    主管部门:农业农村部

起草单位

中国农业科学院蔬菜花卉研究所、全国农业技术推广服务中心、台州隆基塑业有限公司、山东伟丽种苗有限公司、浙江博仁工贸有限公司

起草人

尚庆茂、王娟娟、董春娟、尤匡标、张伟丽、尤匡永

标准预览(共 7 页)

* 特别声明:资源收集自网络或用户上传,版权归原作者所有,如侵犯您的权益,请联系我们处理。

  • 标准质量:
  • 文档详情:1023.87KB 共 7 页 PDF

标准搜索