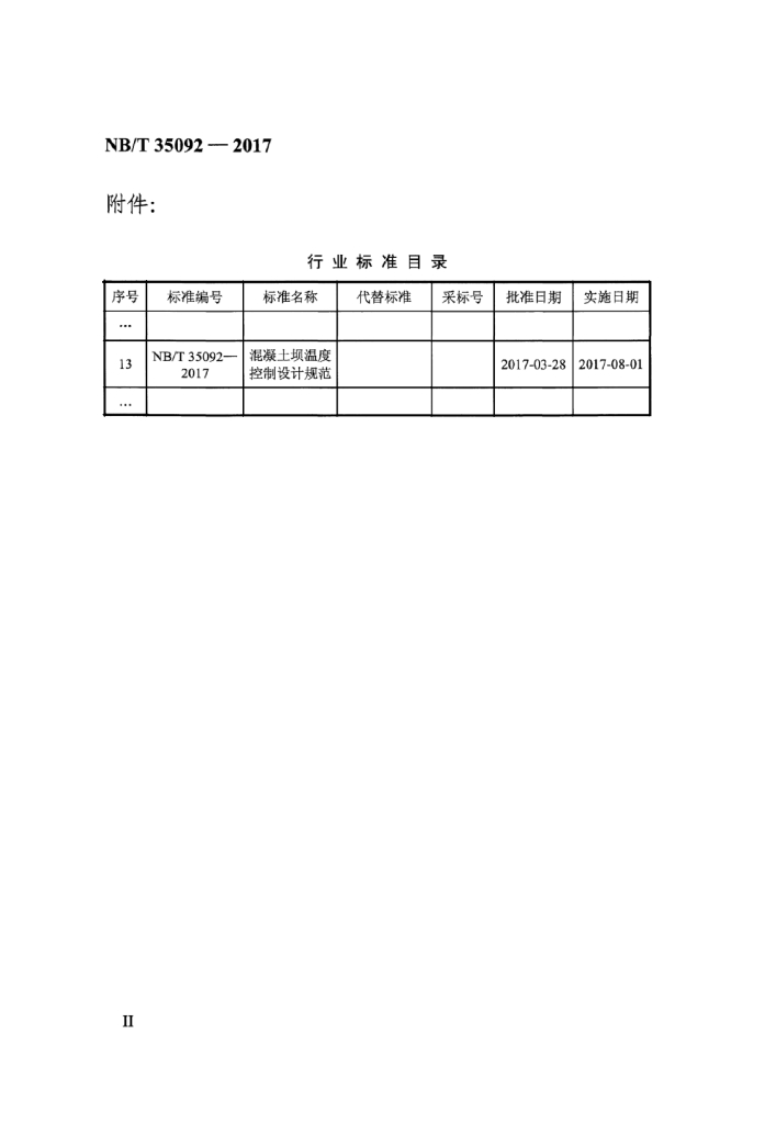
NB/T 35092-2017 混凝土坝温度控制设计规范

行业标准 推荐性 现行

标准状态

  1. 发布于:
  2. 实施于:
  3. 废止

标准详情

  • 中国标准分类号:P59
    国际标准分类号:27.140
  • 提出单位:
    主管部门:国家能源局

起草单位

中国电建集团昆明勘测设计研究院有限公司、中国水利水电科学研究院、中国电建集团成都勘测设计研究院有限公司 等

起草人

许文涛、解敏、吕大勇 等

标准预览(共 149 页)

* 特别声明:资源收集自网络或用户上传,版权归原作者所有,如侵犯您的权益,请联系我们处理。

  • 标准质量:
  • 文档详情:26.83MB 共 149 页 PDF

标准搜索