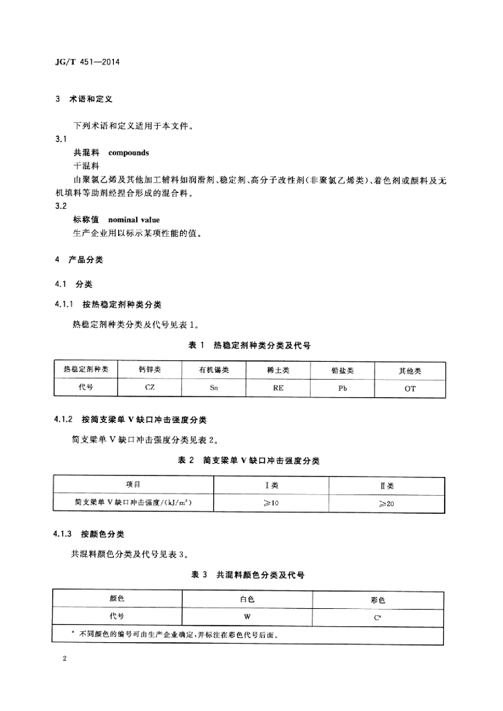
JG/T 451-2014 建筑塑料门窗型材用未增塑聚氯乙烯共混料

行业标准 推荐性 现行

标准状态

  1. 发布于:
  2. 实施于:
  3. 废止

标准详情

  • 中国标准分类号:Q22
    国际标准分类号:91.100.99
  • 提出单位:
    主管部门:住房和城乡建设部

起草单位

中国建筑金属结构协会塑料门窗委员会、中石化北化院国家化学建筑材料测试中心等

起草人

丛敬梅、胡孝义 等

标准预览(共 12 页)

* 特别声明:资源收集自网络或用户上传,版权归原作者所有,如侵犯您的权益,请联系我们处理。

  • 标准质量:
  • 文档详情:3.07MB 共 12 页 PDF

标准搜索