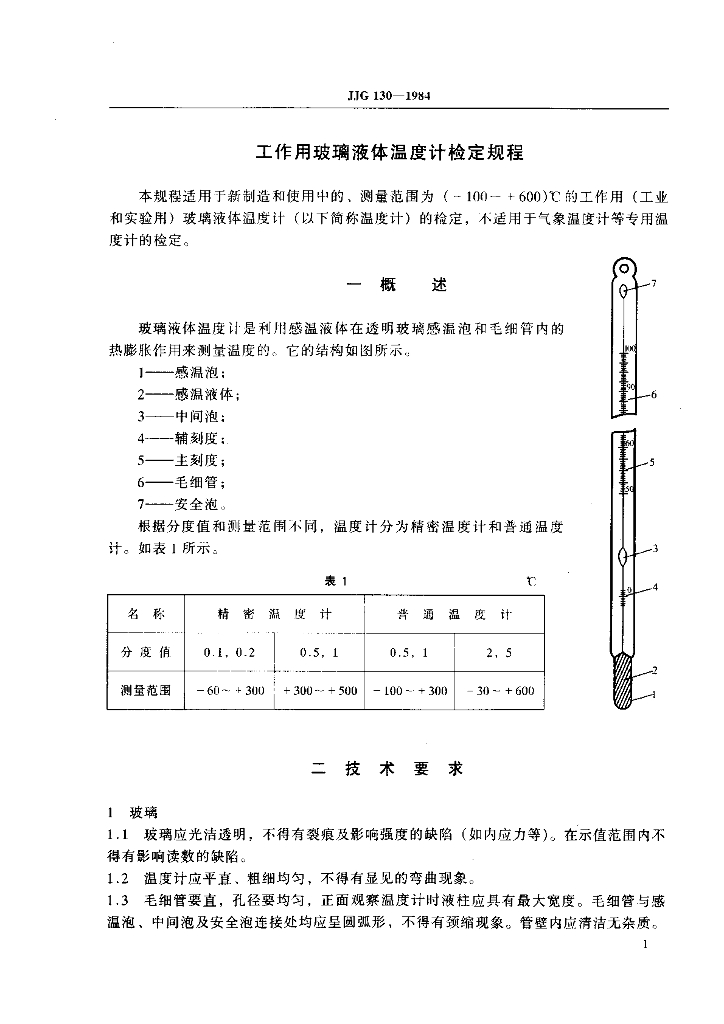
JJG 130-1984 工作用玻璃液体温度计
* 特别声明:资源收集自网络或用户上传,版权归原作者所有,如侵犯您的权益,请联系我们处理。
- 标准质量:
- 文档详情:1.93MB 共 14 页 PDF
标准搜索
搜索帮助相关推荐
- 1GB/T 42871-2023 无损检测 声发射检测 混凝土声发射信号的测试方法
- 2GB/T 12155-1989 锅炉用水和冷却水分析方法 钠的测定 动态法
- 3GB/T 40620-2021 核动力厂火灾危害性分析指南
- 4GB/T 8554-2026 电子和通信设备用变压器和电感器 测试方法和试验程序
- 5GB/T 30505-2014 船用焚烧炉烟气排放测量方法
- 6GB/T 30594-2014 双层玻璃幕墙热性能检测 示踪气体法
- 7GB/T 17640-2008 土工合成材料 长丝机织土工布
- 8GB/T 26015-2010 覆合用铜带
- 9GB/T 5639.1-1985 扩口式三通管接头
- 10GB/T 15663.1-2008 煤矿科技术语 第1部分:煤炭地质与勘查
- 11GB/T 4074.7-2024 绕组线试验方法 第7部分:测定漆包绕组线温度指数的试验方法
- 12JJF(赣)040-2024 软化击穿试验仪校准规范
- 13GB/T 26185-2010 快热式热水器
- 14GB/T 40605-2021 高压直流工程数模混合仿真建模及试验导则
- 15GB/T 12343.1-2008 国家基本比例尺地图编绘规范 第1部分: 1:25000 1:50000 1:100000 地形图编绘规范