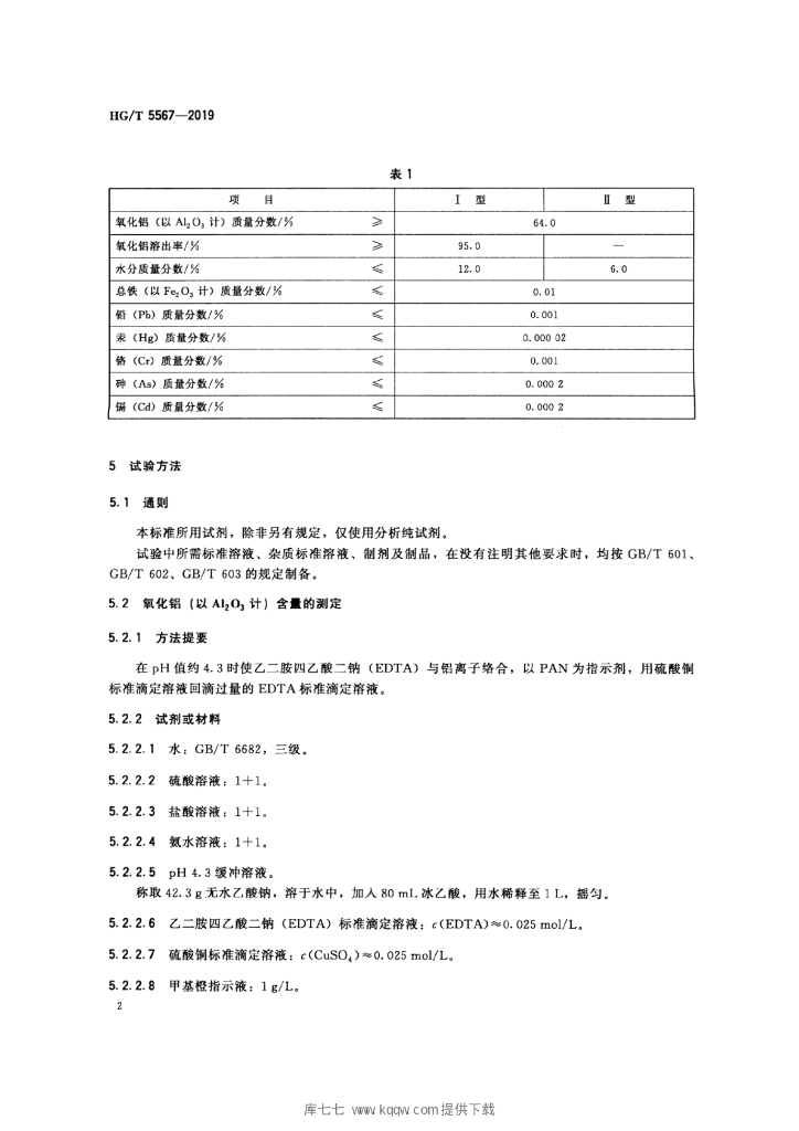
HG/T 5567-2019 水处理剂用氢氧化铝

行业标准 推荐性 现行

标准状态

  1. 发布于:
  2. 实施于:
  3. 废止

标准详情

  • 中国标准分类号:G77
    国际标准分类号:13.060.99
  • 提出单位:
    主管部门:工业和信息化部

起草单位

深圳市中润水工业技术发展有限公司、中铝中州铝业有限公司、中铝山东有限公司等

起草人

李润生、李志刚、董晓辉 等

标准预览(共 13 页)

* 特别声明:资源收集自网络或用户上传,版权归原作者所有,如侵犯您的权益,请联系我们处理。

  • 标准质量:
  • 文档详情:8.09MB 共 13 页 PDF

标准搜索