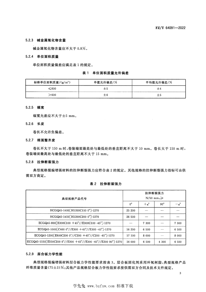
FZ/T 64091-2022 碳玻混编经编多轴向增强材料

行业标准 推荐性 现行

标准状态

  1. 发布于:
  2. 实施于:
  3. 废止

标准详情

  • 中国标准分类号:W59
    国际标准分类号:59.100.01
  • 提出单位:中国纺织工业联合会
    主管部门:工业和信息化部

起草单位

常州市宏发纵横新材料科技股份有限公司、常州市新创智能科技有限公司、常州普泰玻纤制品有限公司、东华大学、常州达姆斯测试技术有限公司、中国产业用纺织品行业协会

起草人

谈昆伦、陈南梁、李桂梅、谈源、刘时海、单小武、巢钦、蒋金华、王秀岗、黄景莹

标准预览(共 10 页)

* 特别声明:资源收集自网络或用户上传,版权归原作者所有,如侵犯您的权益,请联系我们处理。

  • 标准质量:
  • 文档详情:2.35MB 共 10 页 PDF

标准搜索