SB/T 10628-2011 建筑用加压处理防腐木材

行业标准 推荐性 现行

标准状态

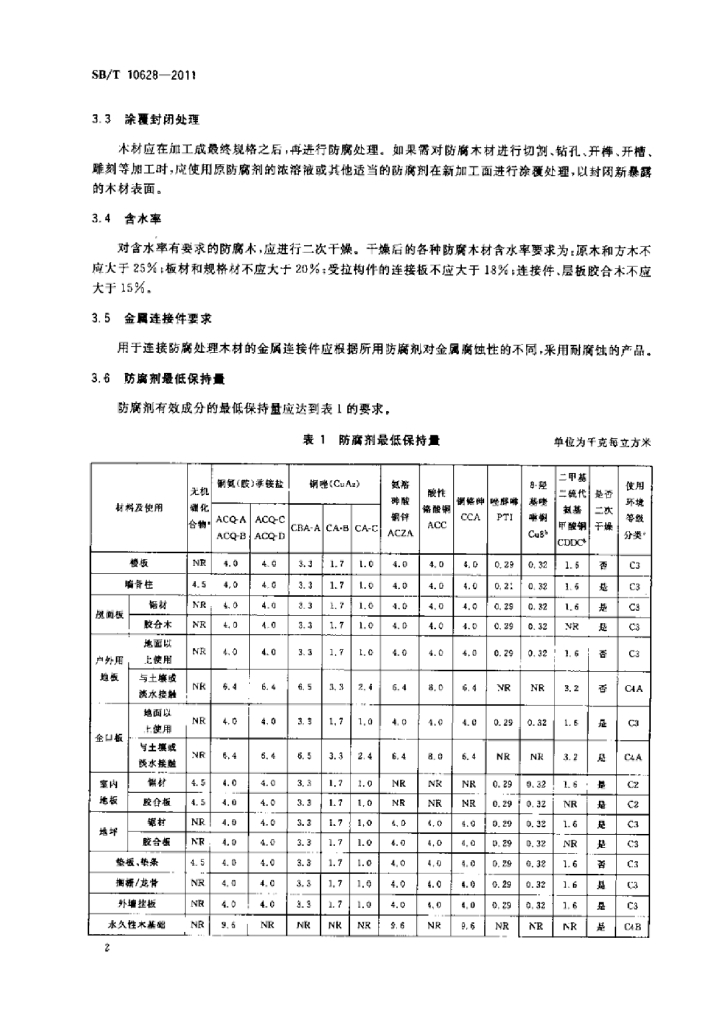
  1. 发布于:
  2. 实施于:
  3. 废止

标准详情

  • 中国标准分类号:B71
    国际标准分类号:65.020
  • 提出单位:
    主管部门:工业和信息化部

起草单位

木材节约发展中心、中国物流与采购联合会木材保护质量监督检验测试中心

起草人

沈长生、喻迺秋 等

标准预览(共 7 页)

* 特别声明:资源收集自网络或用户上传,版权归原作者所有,如侵犯您的权益,请联系我们处理。

  • 标准质量:
  • 文档详情:1.79MB 共 7 页 PDF

标准搜索