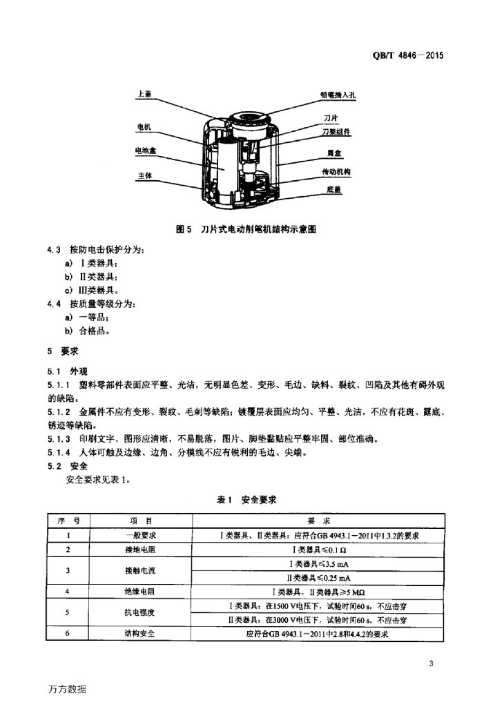
QB/T 4846-2015 电动削笔机

行业标准 推荐性 现行

标准状态

  1. 发布于:
  2. 实施于:
  3. 废止

标准详情

  • 中国标准分类号:Y69
    国际标准分类号:97.180
  • 提出单位:
    主管部门:工业和信息化部

起草单位

得力集团有限公司、三木控股集团有限公司、福建新代实业有限公司 等

起草人

储伟东、仇如叶、郑成锵 等

标准预览(共 10 页)

* 特别声明:资源收集自网络或用户上传,版权归原作者所有,如侵犯您的权益,请联系我们处理。

  • 标准质量:
  • 文档详情:1.75MB 共 10 页 PDF

标准搜索