YB/T 4171-2020 含铜抗菌不锈钢

行业标准 推荐性 现行

标准状态

  1. 发布于:
  2. 实施于:
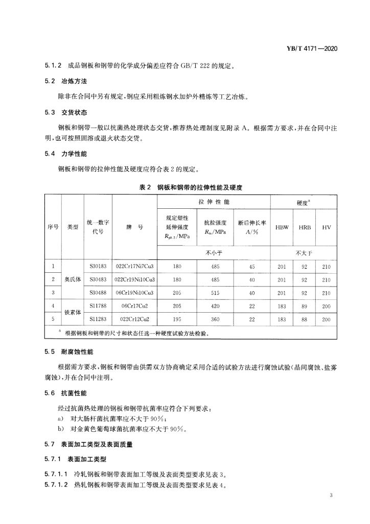
  3. 废止

标准详情

  • 中国标准分类号:H40
    国际标准分类号:77.140.20
  • 代替标准:YB/T 4171-2008
  • 提出单位:
    主管部门:工业和信息化部

起草单位

山西太钢不锈钢股份有限公司、中国科学院金属研究所、冶金工业信息标准研究院、北京中科普金特种材料技术发展有限公司

起草人

张威、李阳、赵建伟、武强、杨春光、王心禾、秦丽雁、曾莉、莫金强、范海生、杨柯

标准预览(共 15 页)

* 特别声明:资源收集自网络或用户上传,版权归原作者所有,如侵犯您的权益,请联系我们处理。

  • 标准质量:
  • 文档详情:4.23MB 共 15 页 PDF

标准搜索