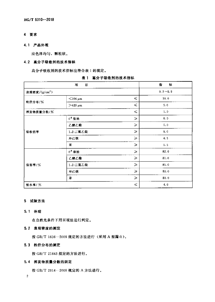
HG/T 5310-2018 高分子吸收剂

行业标准 推荐性 现行

标准状态

  1. 发布于:
  2. 实施于:
  3. 废止

标准详情

  • 中国标准分类号:Z06
    国际标准分类号:13.020.40
  • 提出单位:
    主管部门:工业和信息化部

起草单位

安徽成方新材料科技有限公司、中盐安徽红四方股份有限公司、合肥学院等

起草人

沈向洋、方立贵、孙永菊 等

标准预览(共 7 页)

* 特别声明:资源收集自网络或用户上传,版权归原作者所有,如侵犯您的权益,请联系我们处理。

  • 标准质量:
  • 文档详情:326.48KB 共 7 页 PDF

标准搜索