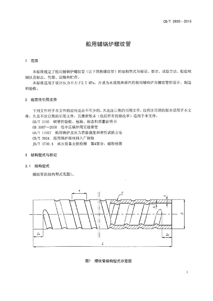
CB/T 3920-2015 船用辅锅炉螺纹管

行业标准 推荐性 现行

标准状态

  1. 发布于:
  2. 实施于:
  3. 废止

标准详情

  • 中国标准分类号:U41
    国际标准分类号:47.020.20
  • 代替标准:CB/T 3920-2002
  • 提出单位:
    主管部门:工业和信息化部/国防科技工业局

起草单位

青岛船用锅炉厂有限公司、中国船舶工业综合技术经济研究院、中国船级社青岛分社

起草人

邱玉东、魏华兴、刘衍玲 等

标准预览(共 8 页)

* 特别声明:资源收集自网络或用户上传,版权归原作者所有,如侵犯您的权益,请联系我们处理。

  • 标准质量:
  • 文档详情:10.32MB 共 8 页 PDF

标准搜索