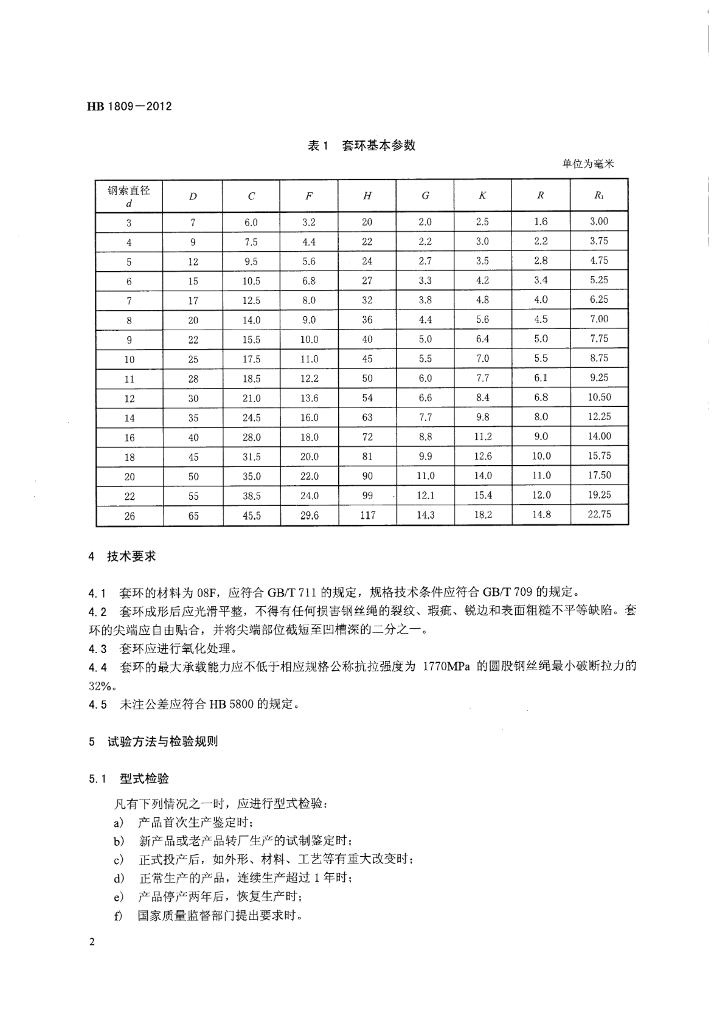
HB 1809-2012 套环

行业标准 强制性 现行

标准状态

  1. 发布于:
  2. 实施于:
  3. 废止

标准详情

  • 中国标准分类号:V96
    国际标准分类号:49.040
  • 代替标准:HB 1809-1987
  • 提出单位:中国航空综合技术研究所
    主管部门:工业和信息化部

起草单位

中国航空综合技术研究所、沈阳飞机工业(集团)有限公司

起草人

任万嘉、任亮、马洪业、李耐锐、王洪、周惠、梁勇、夏晓理

标准预览(共 6 页)

* 特别声明:资源收集自网络或用户上传,版权归原作者所有,如侵犯您的权益,请联系我们处理。

  • 标准质量:
  • 文档详情:789.37KB 共 6 页 PDF

标准搜索