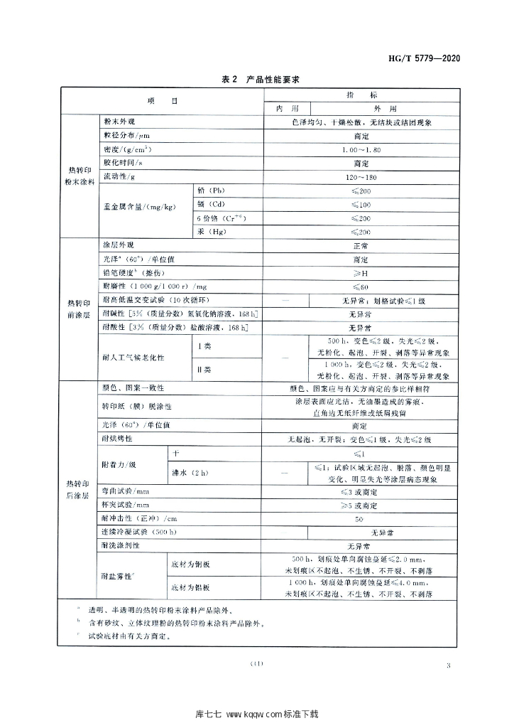
HG/T 5779-2020 热转印粉末涂料

行业标准 推荐性 现行

标准状态

  1. 发布于:
  2. 实施于:
  3. 废止

标准详情

  • 中国标准分类号:G51
    国际标准分类号:87.040
  • 提出单位:
    主管部门:工业和信息化部

起草单位

佛山市涂亿装饰材料科技有限公司、福建万安实业集团有限公司、浙江双金粉末涂料有限公司等

起草人

吴延军、顾辉旗、杨庆伟 等

标准预览(共 11 页)

* 特别声明:资源收集自网络或用户上传,版权归原作者所有,如侵犯您的权益,请联系我们处理。

  • 标准质量:
  • 文档详情:4.99MB 共 11 页 PDF

标准搜索