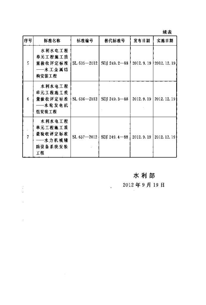
SL 635-2012 水利水电工程单元工程施工质量验收评定标准——水工金属结构安装工程(附条文说明)

行业标准 强制性 现行

标准状态

  1. 发布于:
  2. 实施于:
  3. 废止

标准详情

  • 中国标准分类号:P55
    国际标准分类号:27.140
  • 代替标准:SDJ 249.2-1988
  • 提出单位:
    主管部门:水利部建设与管理司

起草单位

水利部水利建设与管理总站、辽宁省水利工程建设质量与安全监督中心站等

起草人

张严明、杨诗鸿 等

标准预览(共 84 页)

* 特别声明:资源收集自网络或用户上传,版权归原作者所有,如侵犯您的权益,请联系我们处理。

  • 标准质量:
  • 文档详情:3.18MB 共 84 页 PDF

标准搜索