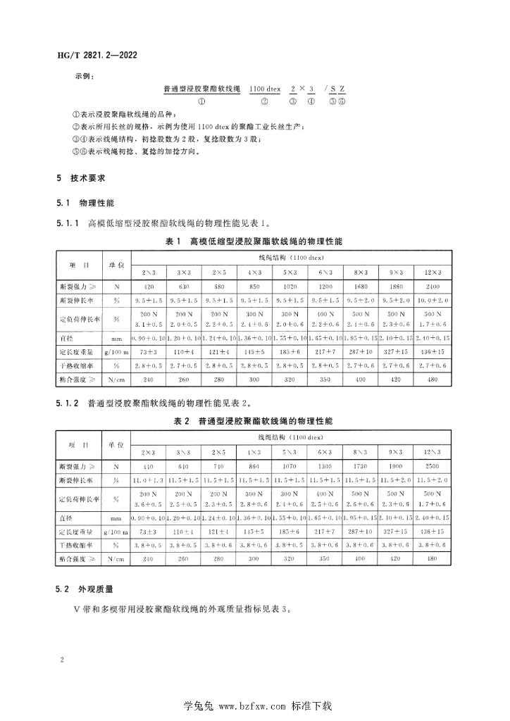
HG/T 2821.2-2022 V带和多楔带用浸胶聚酯线绳 第2部分:软线绳

行业标准 推荐性 现行

标准状态

  1. 发布于:
  2. 实施于:
  3. 废止

标准详情

  • 中国标准分类号:G47
    国际标准分类号:83.140.99
  • 代替标准:HG/T 2821.2-2012
  • 提出单位:中国石油和化学工业联合会
    主管部门:工业和信息化部

起草单位

浙江百傲新材料有限公司、青岛中化新材料实验室、青岛科技大学、青岛晟瑞达磁性材料有限公司、青岛科大新橡塑技术服务有限公司、青岛新材料科技工业园发展有限公司、青岛晟科材料有限公司

起草人

尤妙增、李健、刘莉、孙立水、张保岗、冯晓萌、龚国勇

标准预览(共 8 页)

* 特别声明:资源收集自网络或用户上传,版权归原作者所有,如侵犯您的权益,请联系我们处理。

  • 标准质量:
  • 文档详情:2.09MB 共 8 页 PDF

标准搜索