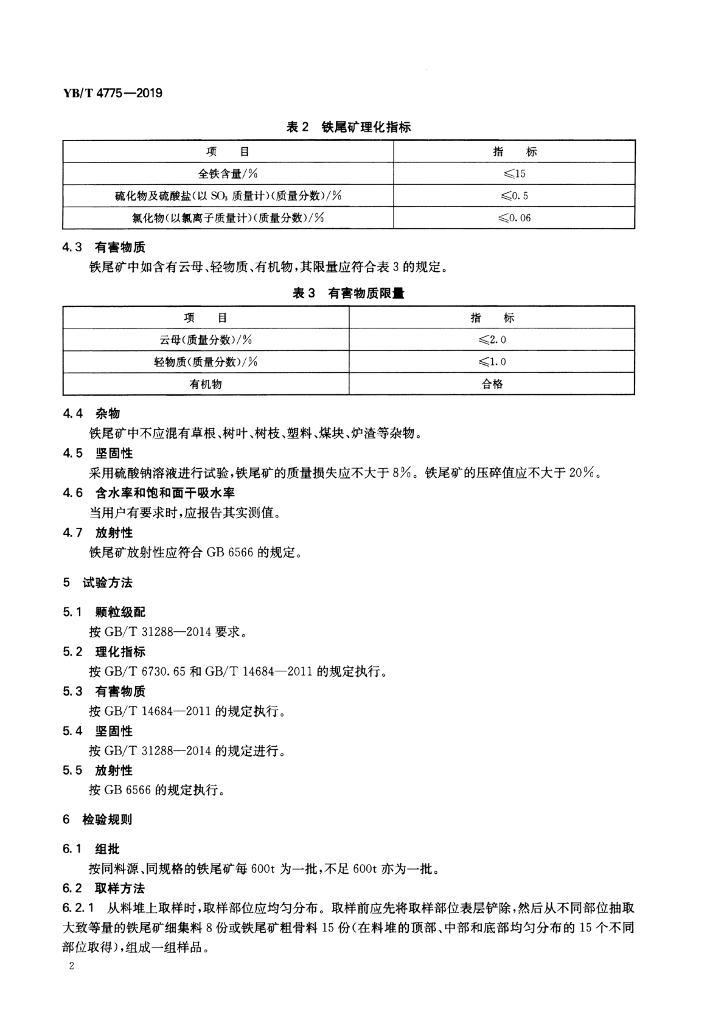
YB/T 4775-2019 路面砖用铁尾矿

行业标准 推荐性 现行

标准状态

  1. 发布于:
  2. 实施于:
  3. 废止

标准详情

  • 中国标准分类号:H34
    国际标准分类号:77.140.99
  • 提出单位:
    主管部门:全国铁矿石与直接还原铁标准化技术委员会

起草单位

鞍钢集团矿业有限公司、鞍钢集团矿业设计研究院、冶金工业信息标准研究院、中国地质大学(北京)、辽宁科技学院、河北睿索固废工程技术研究院有限公司、北京东方建宇混凝土科学技术研究院有限公司、重庆钢焰科技有限公司

起草人

房明浩、仇金辉、戴若丁、吴小文、王安领、王林俊、柴青平、裴锐、郭客、王姜维、赵晶晶、窦国语、陈巍、梅乐夫、闵鑫、耿凯、温晓庆、吴永明

标准预览(共 6 页)

* 特别声明:资源收集自网络或用户上传,版权归原作者所有,如侵犯您的权益,请联系我们处理。

  • 标准质量:
  • 文档详情:9.56MB 共 6 页 PDF

标准搜索