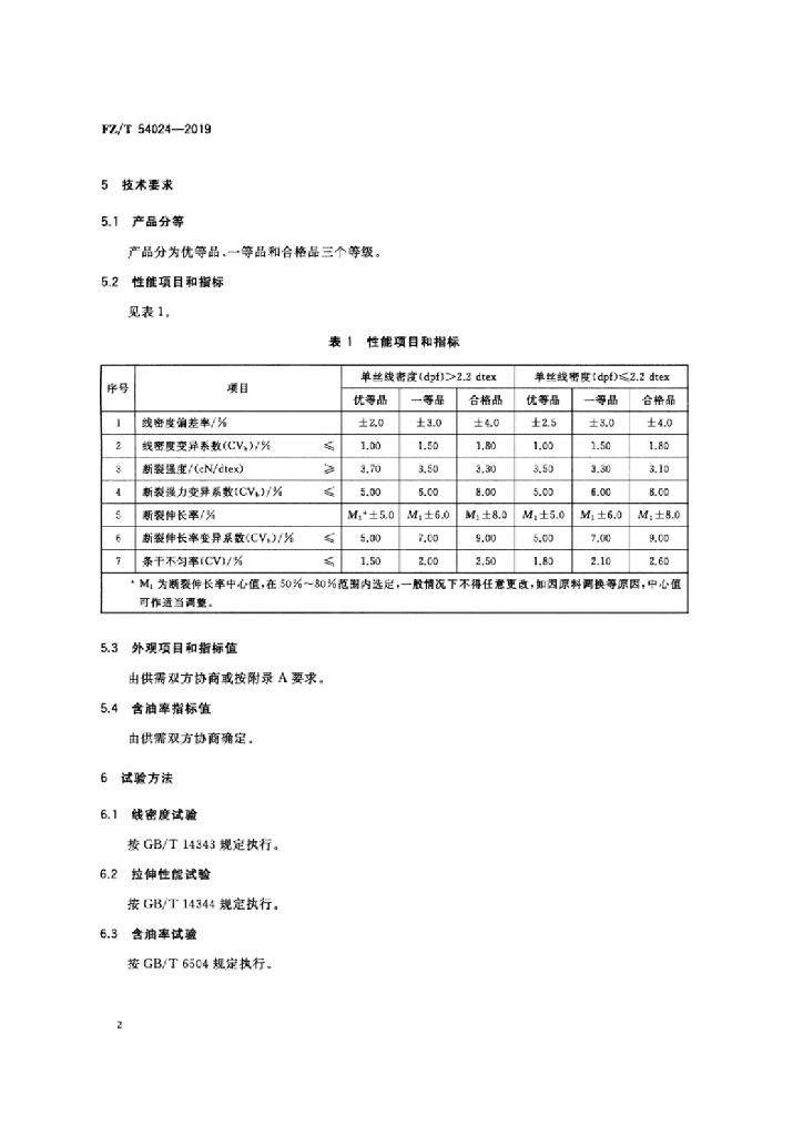
FZ/T 54024-2019 锦纶6预取向丝

行业标准 推荐性 现行

标准状态

  1. 发布于:
  2. 实施于:
  3. 废止

标准详情

  • 中国标准分类号:W52
    国际标准分类号:59.060.20
  • 代替标准:FZ/T 54024-2009
  • 提出单位:
    主管部门:工业和信息化部

起草单位

义乌华鼎锦纶股份有限公司、福建锦江科技有限公司、浙江金旗新材料科技有限公司等

起草人

谭延坤、张雪华、汪建根 等

标准预览(共 10 页)

* 特别声明:资源收集自网络或用户上传,版权归原作者所有,如侵犯您的权益,请联系我们处理。

  • 标准质量:
  • 文档详情:519.01KB 共 10 页 PDF

标准搜索