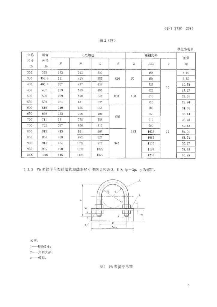
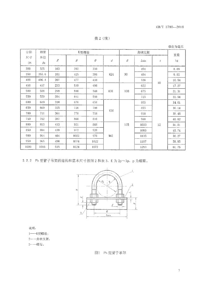
CB/T 3780-2016 管子吊架

行业标准 推荐性 现行

标准状态

  1. 发布于:
  2. 实施于:
  3. 废止

标准详情

  • 中国标准分类号:U55
    国际标准分类号:47.020.30
  • 代替标准:CB/T 3780-1997
  • 提出单位:
    主管部门:工业和信息化部/国防科技工业局

起草单位

大连船舶重工集团有限公司;大连盛鲲新材料科技有限公司;福建省马尾造船股份有限公司

起草人

杨铭珍;马玉龙;任博;于长鲲;王浩召

标准预览(共 17 页)

* 特别声明:资源收集自网络或用户上传,版权归原作者所有,如侵犯您的权益,请联系我们处理。

  • 标准质量:
  • 文档详情:2.89MB 共 17 页 PDF

标准搜索