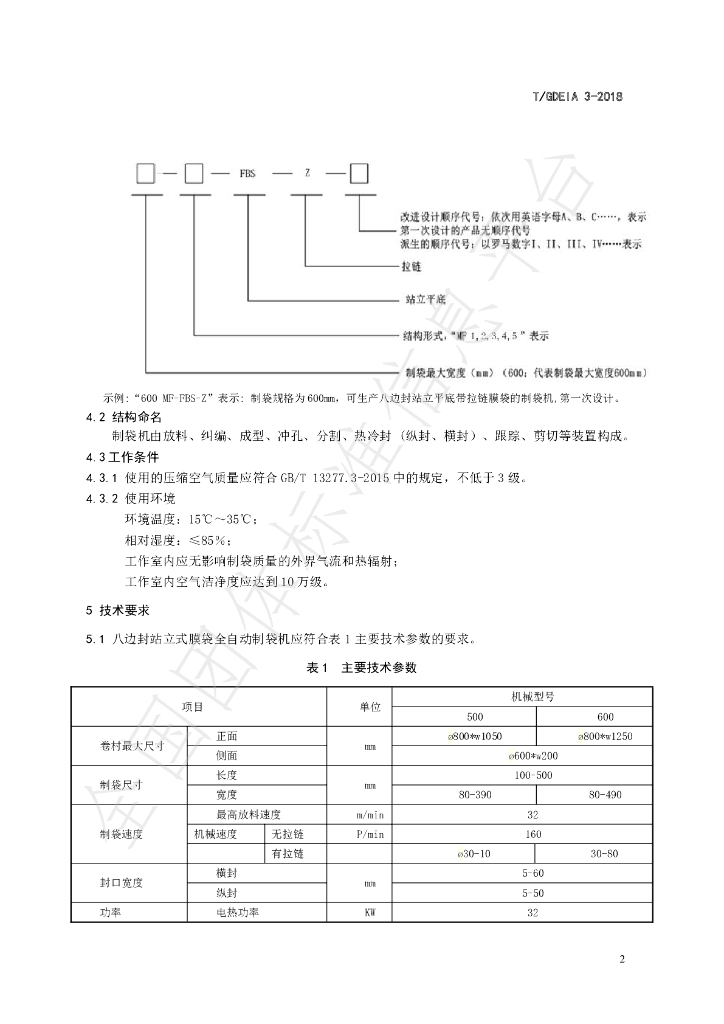
T/GDEIA 03-2018 八边封站立式膜袋全自动制袋机

团体标准 强制性 现行

标准状态

  1. 发布于:
  2. 实施于:
  3. 废止

标准详情

  • 中国标准分类号:J83
    国际标准分类号:25.020
  • 团体名称:广东省薄膜及设备行业协会

起草单位

广东省薄膜及设备行业协会、广州标明机械技术研究有限公司、广东中包机械有限公司、广东中兴塑料纸类印刷有限公司、汕头市永顺包装机械有限公司、国家机械产品安全质量监督检验中心

起草人

黄裔华、彭泽光、彭杭、鄞嘉槐、许美强、林伟国、赵映辉、欧阳欣、尹志宏、郭盛洪、帅倩

标准预览(共 9 页)

* 特别声明:资源收集自网络或用户上传,版权归原作者所有,如侵犯您的权益,请联系我们处理。

  • 标准质量:
  • 文档详情:298.79KB 共 9 页 PDF

标准搜索