YS/T 1482-2021 烧结金属多孔材料 管状压坯强度的测定

行业标准 推荐性 现行

标准状态

  1. 发布于:
  2. 实施于:
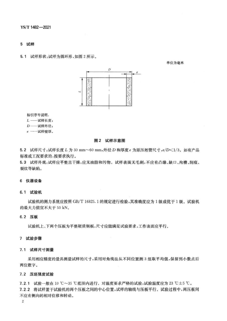
  3. 废止

标准详情

  • 中国标准分类号:H16
    国际标准分类号:77.160
  • 提出单位:全国有色金属标准化技术委员会
    主管部门:全国有色金属标准化技术委员会

起草单位

西北有色金属研究院、西安赛隆金属材料有限责任公司、广东省科学院工业分析检测中心、中南大学、钢铁研究总院、矿冶科技集团有限公司

起草人

汤慧萍、谈萍、李爱君、李亚宁、王建永、朱纪磊、伍超群、肖永通、王守仁、罗志强、王芦燕、沈垒

标准预览(共 6 页)

* 特别声明:资源收集自网络或用户上传,版权归原作者所有,如侵犯您的权益,请联系我们处理。

  • 标准质量:
  • 文档详情:1.77MB 共 6 页 PDF

标准搜索