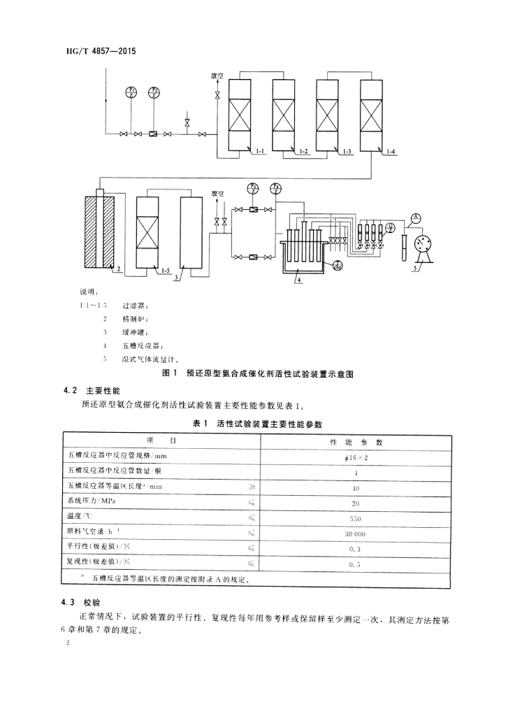
HG/T 4857-2015 预还原型氨合成催化剂活性试验方法

行业标准 推荐性 现行

标准状态

  1. 发布于:
  2. 实施于:
  3. 废止

标准详情

  • 中国标准分类号:G74
    国际标准分类号:71.100.99
  • 提出单位:
    主管部门:工业和信息化部

起草单位

南化集团研究院、湖南安淳高新技术有限公司、鲁西催化剂有限公司等

起草人

薛永震、戴丰育、郭喜文 等

标准预览(共 10 页)

* 特别声明:资源收集自网络或用户上传,版权归原作者所有,如侵犯您的权益,请联系我们处理。

  • 标准质量:
  • 文档详情:6.19MB 共 10 页 PDF

标准搜索