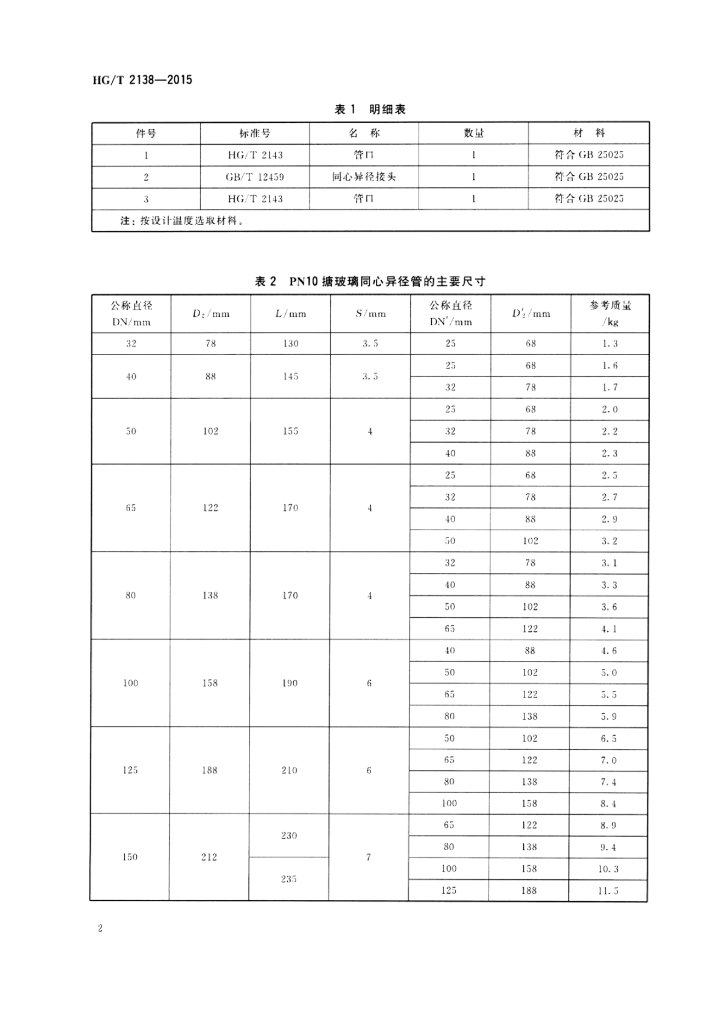
HG/T 2138-2015 搪玻璃同心异径管

行业标准 推荐性 现行

标准状态

  1. 发布于:
  2. 实施于:
  3. 废止

标准详情

  • 中国标准分类号:G94
    国际标准分类号:71.120;25.220.50
  • 代替标准:HG/T 2138-2009
  • 提出单位:
    主管部门:工业和信息化部

起草单位

江阴市长泾化工设备有限公司、江阴市化工设备厂、江阴市大成化工设备厂

起草人

徐国平、姜伟民、李龙昌 等

标准预览(共 7 页)

* 特别声明:资源收集自网络或用户上传,版权归原作者所有,如侵犯您的权益,请联系我们处理。

  • 标准质量:
  • 文档详情:3.47MB 共 7 页 PDF

标准搜索