DB37/T 131-1986 内燃烧瓦技术导则
* 特别声明:资源收集自网络或用户上传,版权归原作者所有,如侵犯您的权益,请联系我们处理。
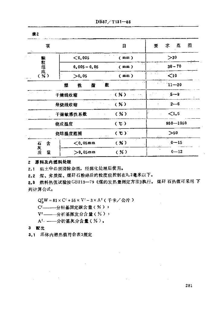
- 标准质量:
- 文档详情:210.76KB 共 4 页 PDF
标准搜索
搜索帮助相关推荐
- 1DB61/T 5078-2023 体育建筑工艺设计标准(附条文说明)
- 2DB50/T 502-2013 大足黑山羊圈舍建设技术规范
- 3DB50/T 386-2011 大足黑山羊 种公羊饲养管理技术规范
- 4DB41/T 2617-2024 饲料霉变防控及霉菌毒素脱毒技术规范
- 5DB62/T 2131-2011 静宁马铃薯质量分级
- 6DB32/T 2466-2013 棉花泗杂棉栽培技术规程
- 7DB4201/T 681-2023 鲜食春大豆种子生产技术规程
- 8DB33/T 1429-2025 知识产权维权援助工作站建设与服务规范
- 9DB11/ 238-2012 北京市车用汽油标准
- 10DB3707/T 105-2024 镇(街道)社会工作服务站管理与服务规范
- 11DB44/T 961-2011 化妆品中酸性橙7的测定 高效液相色谱法
- 12DB63/T 1597-2017 公共建筑节能改造节能量核定规程
- 13DB4416/T 30-2025 科技企业孵化载体服务规范
- 14DB21/T 2029-2012 洗染业等级划分及评定
- 15DB33/T 2105-2018 制造业企业技术中心评价规范



