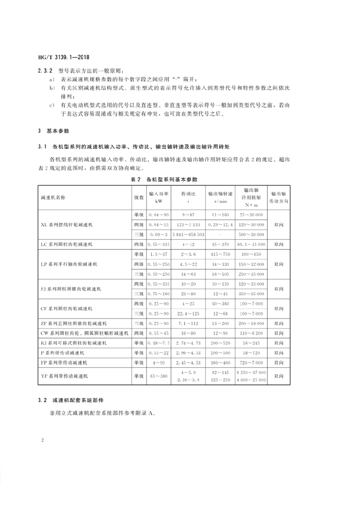
HG/T 3139.1-2018 釜用立式减速机型式和基本参数

行业标准 推荐性 现行

标准状态

  1. 发布于:
  2. 实施于:
  3. 废止

标准详情

  • 中国标准分类号:G92
    国际标准分类号:71.120.10
  • 代替标准:HG/T 3139.1-2001
  • 提出单位:
    主管部门:工业和信息化部

起草单位

浙江长城搅拌设备股份有限公司、上海亚达发搅拌设备有限公司、天华化工机械及自动化研究设计院有限公司

起草人

虞培清、谢明辉、邹志富 等

标准预览(共 52 页)

* 特别声明:资源收集自网络或用户上传,版权归原作者所有,如侵犯您的权益,请联系我们处理。

  • 标准质量:
  • 文档详情:5.83MB 共 52 页 PDF

标准搜索