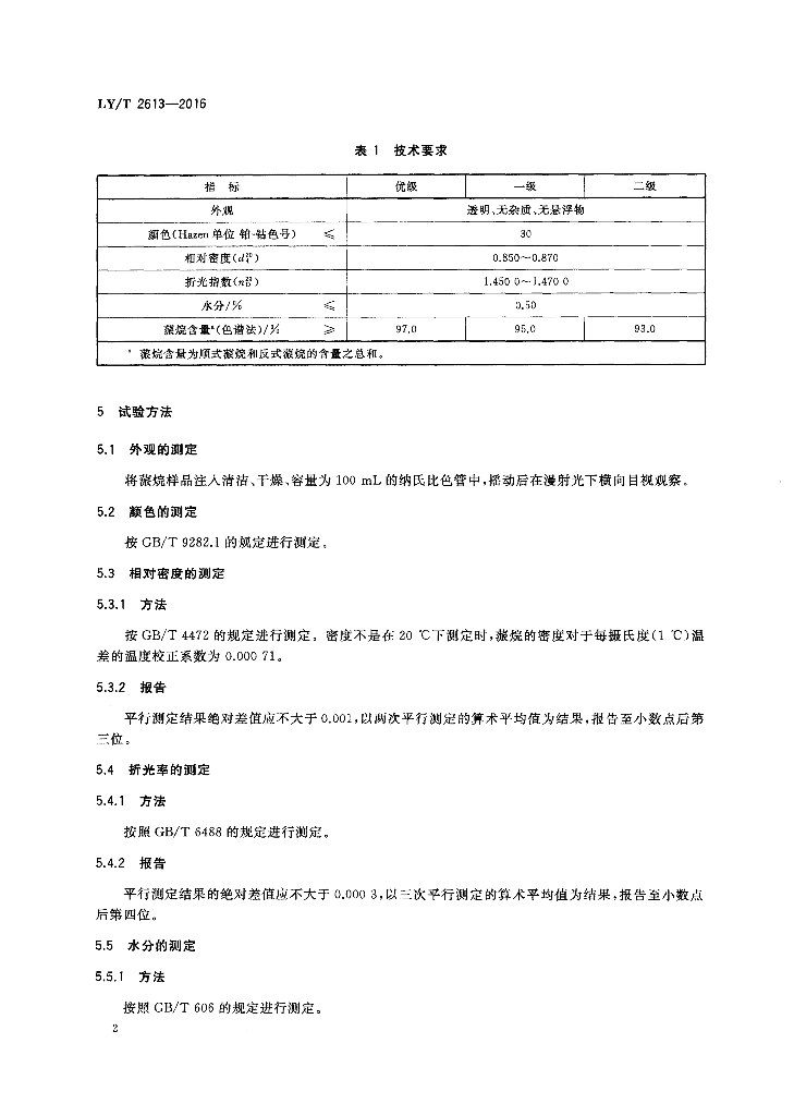
LY/T 2613-2016 蒎烷

行业标准 推荐性 现行

标准状态

  1. 发布于:
  2. 实施于:
  3. 废止

标准详情

  • 中国标准分类号:B72
    国际标准分类号:65.050
  • 提出单位:
    主管部门:国家林业局

起草单位

中南林业科技大学、湖南松源化工有限公司、广西梧松林化集团有限公司等

起草人

黎继烈、李平先、黄宇平 等

标准预览(共 9 页)

* 特别声明:资源收集自网络或用户上传,版权归原作者所有,如侵犯您的权益,请联系我们处理。

  • 标准质量:
  • 文档详情:3.39MB 共 9 页 PDF

标准搜索