HG/T 2019-2022 黑色雨靴(鞋)

行业标准 推荐性 现行

标准状态

  1. 发布于:
  2. 实施于:
  3. 废止

标准详情

  • 中国标准分类号:Y78
    国际标准分类号:61.06
  • 代替标准:HG/T 2019-2011
  • 提出单位:中国石油和化学工业联合会
    主管部门:工业和信息化部

起草单位

莆田市恒顺体育用品有限公司、大加利(太仓)质量技术检测中心有限公司、江西省鞋类产品质量监督检验中心、上海市质量监督检验技术研究院、莆田海关综合技术服务中心

起草人

张北战、章若红、曾慎亮、陈雅华、洪晓杰、张文涛、杨民、李天源、唐振华

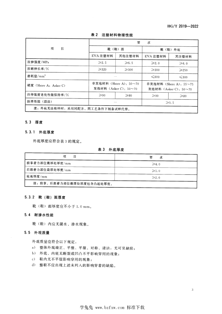
标准预览(共 7 页)

* 特别声明:资源收集自网络或用户上传,版权归原作者所有,如侵犯您的权益,请联系我们处理。

  • 标准质量:
  • 文档详情:2.01MB 共 7 页 PDF

标准搜索