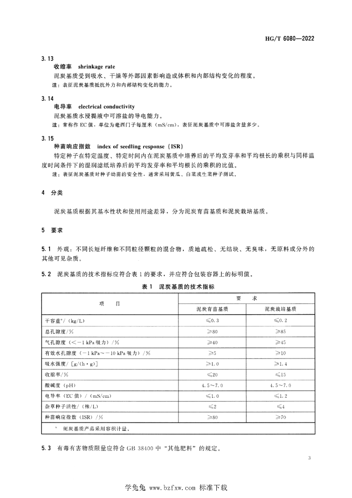
HG/T 6080-2022 泥炭基质

行业标准 推荐性 现行

标准状态

  1. 发布于:
  2. 实施于:
  3. 废止

标准详情

  • 中国标准分类号:G21
    国际标准分类号:65.080
  • 提出单位:中国石油和化学工业联合会
    主管部门:工业和信息化部

起草单位

辽宁普天科技有限公司、东北师范大学泥炭沼泽研究所、金正大生态工程集团股份有限公司、莘县益农育苗基质有限公司、厦门江平生物科技股份有限公司、湖南省湘晖农业技术开发有限公司、广东全庆检测有限公司、无锡悦扬机械制造有限公司、上海化工院检测有限公司

起草人

孟宪民、曹洪宇、张广金、孙洪录、夏江平、李少龙、汪亮、刘文璐、梁潇、纪小辉、赵哲龙

标准预览(共 27 页)

* 特别声明:资源收集自网络或用户上传,版权归原作者所有,如侵犯您的权益,请联系我们处理。

  • 标准质量:
  • 文档详情:7.18MB 共 27 页 PDF

标准搜索