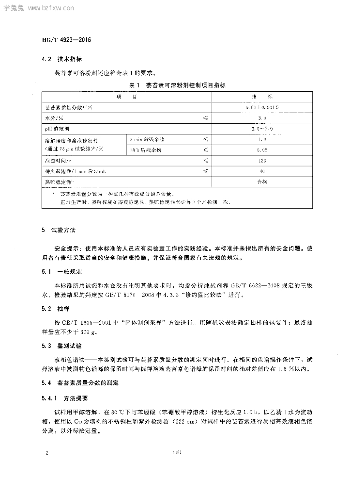
HG/T 4923-2016 芸苔素可溶粉剂

行业标准 推荐性 现行

标准状态

  1. 发布于:
  2. 实施于:
  3. 废止

标准详情

  • 中国标准分类号:G25
    国际标准分类号:65.100.20
  • 提出单位:
    主管部门:工业和信息化部

起草单位

农业部农药检定所、中国农业科学院植物保护研究所、成都新朝阳作物科学有限公司等

起草人

李友顺、曹立冬、陈铁春 等

标准预览(共 9 页)

* 特别声明:资源收集自网络或用户上传,版权归原作者所有,如侵犯您的权益,请联系我们处理。

  • 标准质量:
  • 文档详情:457.58KB 共 9 页 PDF

标准搜索