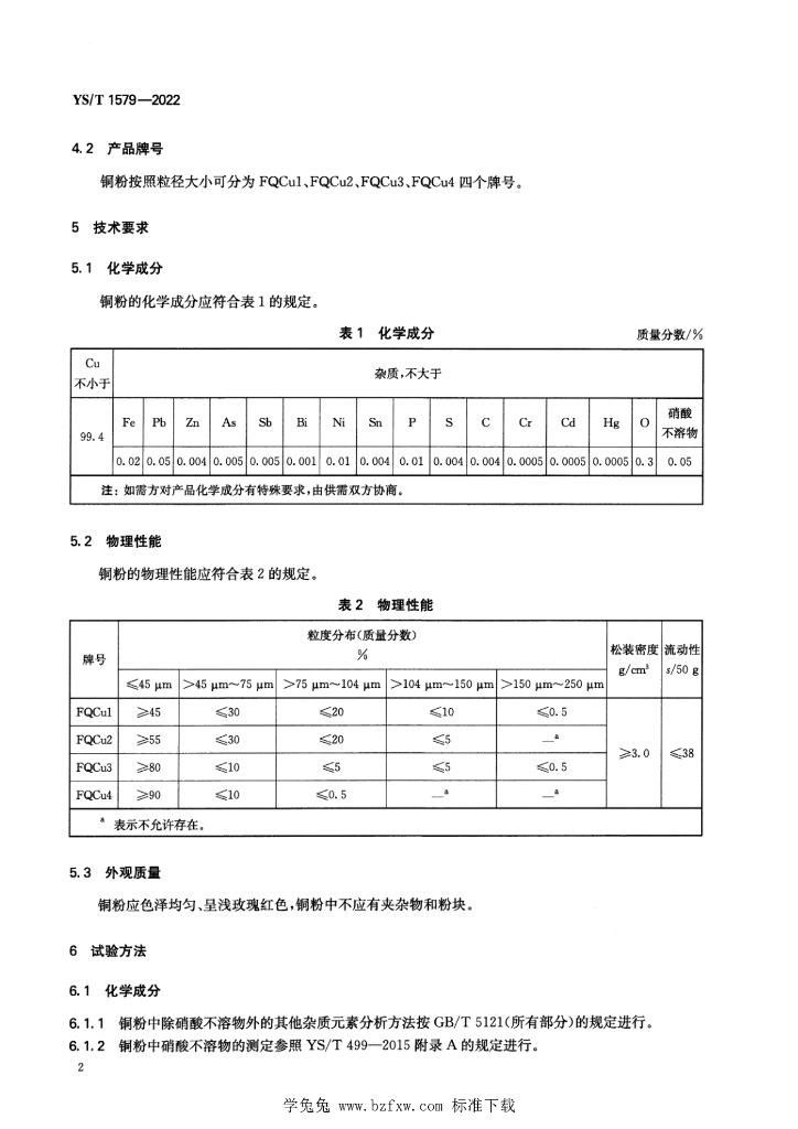
YS/T 1579-2022 焊材用铜粉

行业标准 推荐性 现行

标准状态

  1. 发布于:
  2. 实施于:
  3. 废止

标准详情

  • 中国标准分类号:H62
    国际标准分类号:77.150.30
  • 提出单位:安徽省经济和信息化委员会
    主管部门:全国有色金属标准化技术委员会

起草单位

安徽鑫佳铜业有限公司、铜陵鑫佳粉体新材料科技有限公司、安徽工业大学

起草人

胡柏明、樊友奇、姚永林、李云林、郭殿月、王季林、伍宏文

标准预览(共 7 页)

* 特别声明:资源收集自网络或用户上传,版权归原作者所有,如侵犯您的权益,请联系我们处理。

  • 标准质量:
  • 文档详情:902.07KB 共 7 页 PDF

标准搜索