TB/T 2135-2018 铁路小型养路机械液压方枕器

行业标准 推荐性 现行

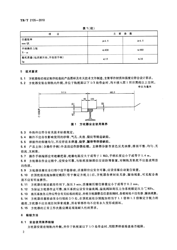
标准状态

  1. 发布于:
  2. 实施于:
  3. 废止

标准详情

  • 中国标准分类号:S22
    国际标准分类号:45.120
  • 代替标准:TB/T 2135-1990
  • 提出单位:
    主管部门:国家铁路局

起草单位

铁科院铁建所、上海瑞纽机械公司、牡丹江铁路机具公司、宁波市江北环山铁路工务器材厂

起草人

何国华、徐其瑞、高春雷、牛怀军、宋正忠、宋慧京、霍立志、芦永吉、叶伟盛

标准预览(共 8 页)

* 特别声明:资源收集自网络或用户上传,版权归原作者所有,如侵犯您的权益,请联系我们处理。

  • 标准质量:
  • 文档详情:1.97MB 共 8 页 PDF

标准搜索