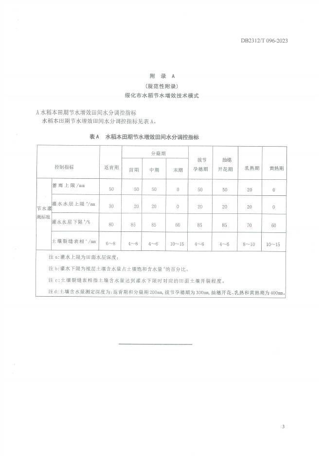
DB2312/T 096-2023 水稻节水增效生产技术规程

地方标准 绥化市 推荐性 现行

标准状态

  1. 发布于:
  2. 实施于:
  3. 废止

标准详情

  • 中国标准分类号:B05
    国际标准分类号:65.020.20
  • 提出单位:绥化市农业农村局
    主管部门:绥化市市场监督管理局

起草单位

黑龙江省农业科学院绥化分院、七台河市农业农村局、肇东市农村经济服务中心

起草人

刘晴、聂守军、高世伟、齐英艳、任钢、刘宇强、常汇琳、马成、王婧泽、景玉良、薛英会、祖广博、王超群、刘睿松、刘凯、谢树鹏、魏中华、刘立超、门龙楠、孙中华、宗天鹏、唐铭、董晓慧、杨广益、符强、白瑞、闫春艳、邵珊珊、石博文、李逸、王翠玲、戴常军、黄元炬、张苏新、刘洪亮、张宏天、高晟楠、王俊强、韩业辉、何长安、纪春学、牛忠林、吴丽丽、靳晓春、李如来、张羽

标准预览(共 5 页)

* 特别声明:资源收集自网络或用户上传,版权归原作者所有,如侵犯您的权益,请联系我们处理。

  • 标准质量:
  • 文档详情:1.55MB 共 5 页 PDF

标准搜索