电子标准网
首页
国家标准
行业标准
地方标准
团体标准
设计图集
协会标准
企业标准
国际标准
联盟标准
其他标准
登录 / 注册
昵称:
(ID:)
充值金币
我的收藏
浏览历史
[ 退出登录 ]
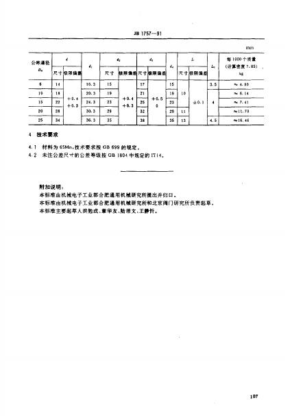
JB 1757-1991 卡套
行业标准
强制性
现行
收藏
报错
标准状态
发布于:
1991-07-22
实施于:
1992-07-01
废止
标准详情
中国标准分类号:
国际标准分类号:
提出单位:
主管部门:
机械电子工业部
标准预览(共 2 页)
5页 预览结束,下载 2页 完整版
* 特别声明:资源收集自网络或用户上传,版权归原作者所有,如侵犯您的权益,请联系我们处理。
标准网本地下载
标准质量:
文档详情:
34.84KB 共 2 页 PDF
分享到
标准搜索
搜索帮助
搜索
相关推荐
1
SY/T 0315-1997 钢质管道熔结环氧粉末外涂层技术标准
2
SY/T 0448-1997 油田油气处理用钢制压力容器施工及验收规范
3
SL 354-2006 水质 初级生产力测定-“黑白瓶”测定法
4
YS/T 1518-2022 氢燃料电池用锆带
5
DL/T 2246.4-2021 电化学储能电站并网运行与控制技术规范 第4部分:继电保护
6
QB/T 2564.4-2002 螺钉旋具 一字槽螺钉旋具
7
JB/T 7378-2010 烧结铁基制品 碳氮共渗层深度的金相法测定
8
HG/T 6209-2023 液状C.I. 分散红 167:1
9
CH/T 1020-2010 1:500 1:1 000 1:2 000地形图质量检验技术规程
10
HG/T 2886-1997 橡胶水坝
11
JB/T 8607-2011 连续式铸型输送机 技术条件
12
DG/TJ 08-009-2002 钢筋混凝土异型柱结构技术规程
13
JB/T 12604-2016 行星滚柱丝杠副
14
FZ/T 22003-2006 机织雪尼尔本色线
15
YY/T 0489-2023 一次性使用无菌引流导管及辅助器械
电子标准网提示:
你剩余金币:
0
, 下载文档需要支付金币:
0
请通过以下途径获取金币,完成下载:
更多充值
金币充值下载
VIP免费下载
正在加载二维码...
微信扫码支付
50元, 50金币,
100元,150金币,赠送 50个金币
300元,600金币,赠送300个金币
500元,1200金币,赠送700个金币
800元,2000金币,赠送1200个金币
正在加载二维码...
微信扫码支付
50元,高级月度VIP,免金币下载10篇/天
118元,高级季度VIP,免金币下载10篇/天
168元,高级半年VIP,免金币下载10篇/天
98元,钻石月度VIP,免金币下载30篇/天
238元,钻石季度VIP,免金币下载30篇/天