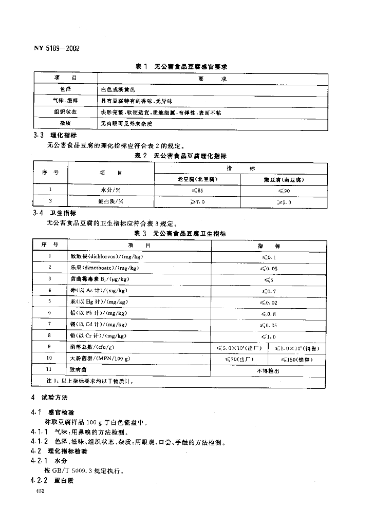
NY 5189-2002 无公害食品 豆腐

行业标准 强制性 已废止

标准状态

  1. 发布于:
  2. 实施于:
  3. 废止于:

标准详情

  • 中国标准分类号:X11
    国际标准分类号:67.060
  • 提出单位:
    主管部门:农业部

起草单位

农业部大豆及大豆制品质量监督检验中心、农业部食品质量监督检验中心(成都)等

起草人

王满生、胡述楫

标准预览(共 6 页)

* 特别声明:资源收集自网络或用户上传,版权归原作者所有,如侵犯您的权益,请联系我们处理。

  • 标准质量:
  • 文档详情:158.97KB 共 6 页 PDF

标准搜索