DB61/T 546-2012 公路隧道安全设计指南

地方标准 陕西省 推荐性 现行

标准状态

  1. 发布于:
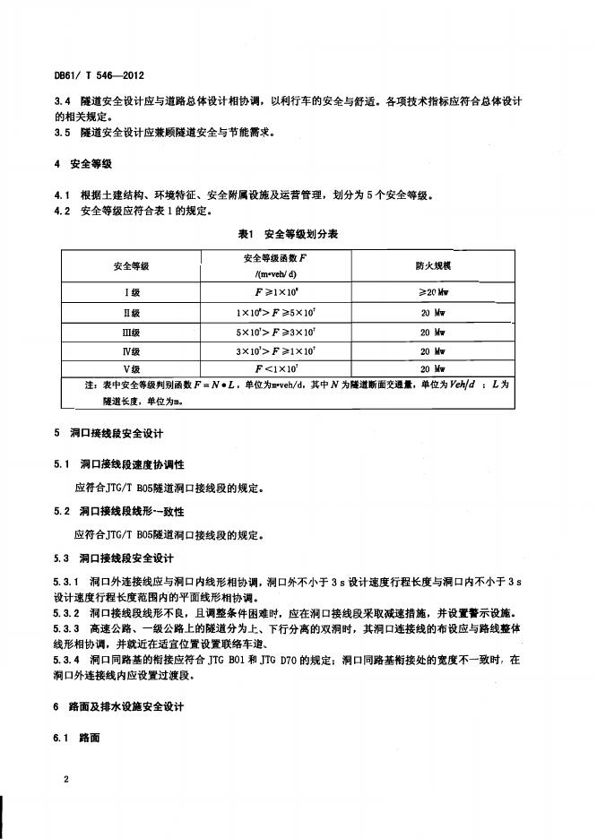
  2. 实施于:
  3. 废止

标准详情

  • 中国标准分类号:R80
    国际标准分类号:93.080
  • 提出单位:
    主管部门:陕西省质量技术监督局

起草单位

陕西省高速公路建设集团公司、招商局重庆交通科研设计院有限公司

起草人

杨荣尚、韩直、付立家、张建华、张守一、王小军、姚佩林、马璐、刘军营、陈晓利

标准预览(共 10 页)

* 特别声明:资源收集自网络或用户上传,版权归原作者所有,如侵犯您的权益,请联系我们处理。

  • 标准质量:
  • 文档详情:174.41KB 共 10 页 PDF

标准搜索