SB/T 11264-2025 托盘循环共用系统货物码盘及交接要求

行业标准 推荐性 现行

标准状态

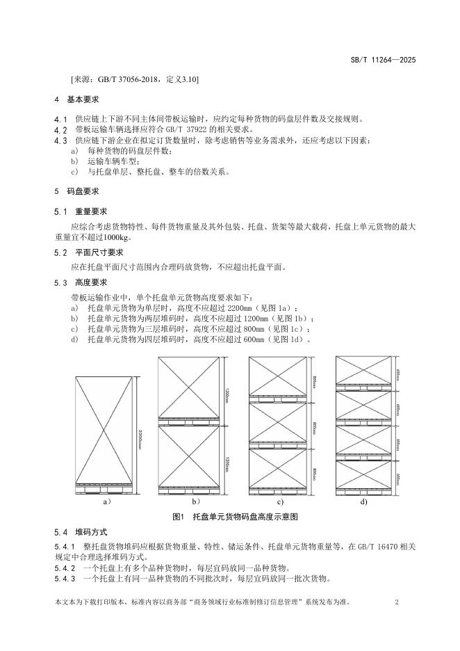
  1. 发布于:
  2. 实施于:
  3. 废止

标准详情

  • 中国标准分类号:A85
    国际标准分类号:55.180.20
  • 提出单位:
    主管部门:中华人民共和国商务部流通业发展司

起草单位

中国仓储与配送协会、上海庙航包装科技股份有限公司、安徽繁盛木业包装有限公司、金华捷特包装有限公司、厦门市倍林物联科技有限公司、上海派瑞特塑业有限公司、温州东波塑业有限公司、深圳市凯东源现代物流股份有限公司、诺力智能装备股份有限公司、无锡轻源建筑工程设计有限公司、青岛德盛利智能装备股份有限公司、路凯包装设备租赁(上海)有限公司、北京伍强智能科技有限公司。

起草人

李燕、郭雷潮、戴正楠、高松骥、池洁、曹晓婷、谭子繁、周卫中、周宏、蔡飞跃、张继明、陆友东、王瑞红,刘远、朱宝昌、郭建勋、毕素平、马先龙、陈磊、尹军琪。

标准预览(共 9 页)

* 特别声明:资源收集自网络或用户上传,版权归原作者所有,如侵犯您的权益,请联系我们处理。

  • 标准质量:
  • 文档详情:539.12KB 共 9 页 PDF

标准搜索