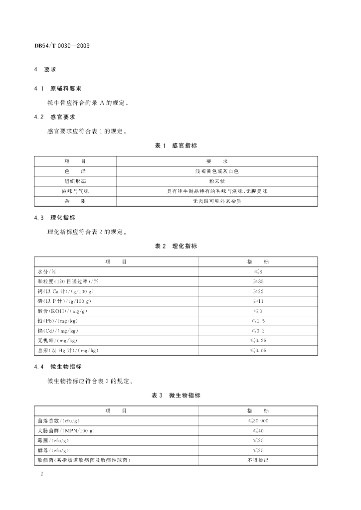
DB54/T 0030-2009 牦牛骨粉

地方标准 西藏自治区 推荐性 已废止

标准状态

  1. 发布于:
  2. 实施于:
  3. 废止于:

标准详情

  • 中国标准分类号:X10
    国际标准分类号:01.040.67
  • 提出单位:
    主管部门:西藏自治区质量技术监督局

起草单位

西藏自治区产品质量监督检验所

起草人

彭光华、谭群芳、旺梅、陈红剑、赵勇、朱浙辉、扎桑拉姆、袁斌、俞志远

标准预览(共 9 页)

* 特别声明:资源收集自网络或用户上传,版权归原作者所有,如侵犯您的权益,请联系我们处理。

  • 标准质量:
  • 文档详情:350.52KB 共 9 页 PDF

标准搜索