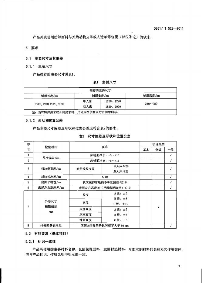
DB61/T 528-2011 软床安全技术条件

地方标准 陕西省 推荐性 已废止

标准状态

  1. 发布于:
  2. 实施于:
  3. 废止于:

标准详情

  • 中国标准分类号:Y81
    国际标准分类号:97.140
  • 提出单位:
    主管部门:陕西省质量技术监督局

起草单位

陕西省产品质量监督检验所、福乐家具有限公司、西安同心家居有限公司

起草人

肖凌卿、关社军、惠利梅

标准预览(共 15 页)

* 特别声明:资源收集自网络或用户上传,版权归原作者所有,如侵犯您的权益,请联系我们处理。

  • 标准质量:
  • 文档详情:244.67KB 共 15 页 PDF

标准搜索