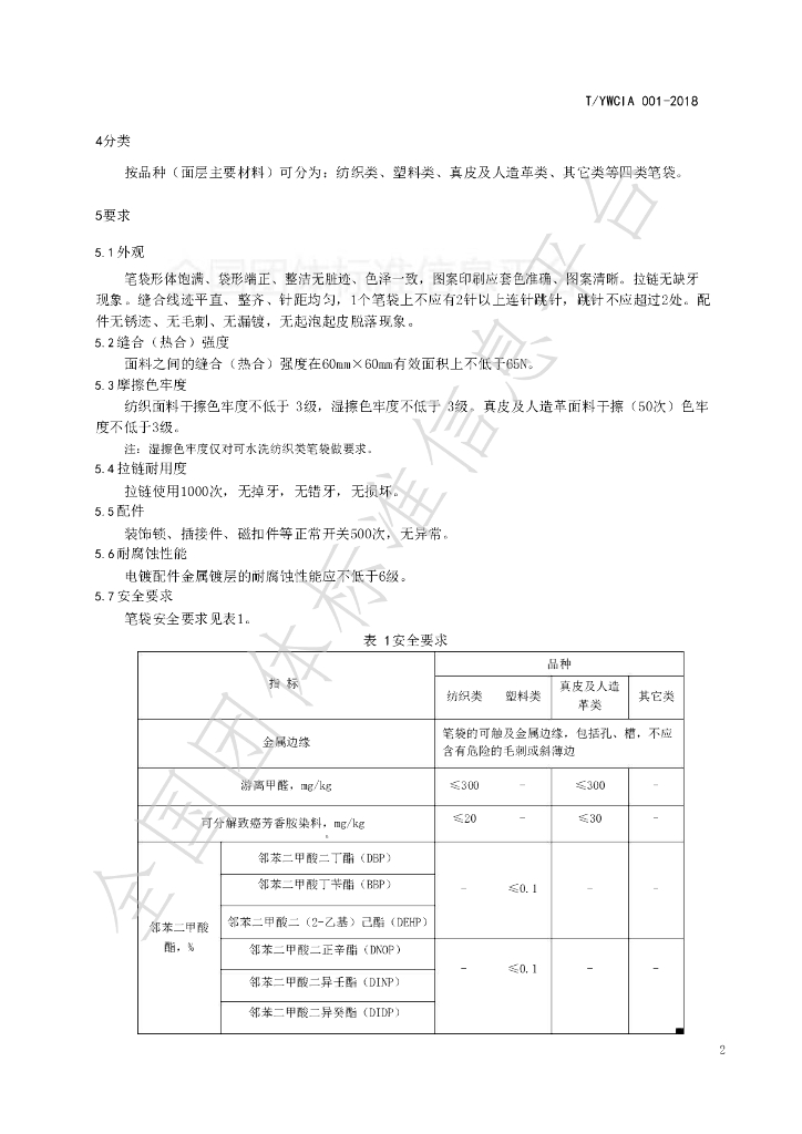
T/YWCIA 001-2021 笔袋团体标准

团体标准 强制性 现行

标准状态

  1. 发布于:
  2. 实施于:
  3. 废止

标准详情

  • 中国标准分类号:Y50
    国际标准分类号:97.180
  • 团体名称:义乌市文化用品行业协会

起草单位

义乌市璇璞贸易有限公司,义乌市依依布舍文具厂,义乌博孺文化用品有限公司,义乌市艾沃箱包厂、义乌市恒品文化用品有限公司、义乌萌小奇文具商行、义乌市胜通文体有限公司、义乌市那之海文化用品有限公司、金华和创文化用品有限公司、义乌市赞宇手袋厂、义乌市山米文化用品厂、义乌市热脉文体有限公司、义乌市耀林文具厂、义乌市朗田工艺品有限公司、义乌市晨鑫文具用品厂、义乌市枕草文化创意有限公司、义乌市紫仪文具厂、义乌市天瑜手袋有限公司、义乌市晨语文具有限公司、义乌市韩尚文具有限公司、义乌市鑫鹏包装制品有限公司

起草人

王正林、王一波、刘风军、姜丰

标准预览(共 7 页)

* 特别声明:资源收集自网络或用户上传,版权归原作者所有,如侵犯您的权益,请联系我们处理。

  • 标准质量:
  • 文档详情:421.91KB 共 7 页 PDF

标准搜索