T/JMBX 0086-2019 摩托车电喷发动机热敏电阻式缸温传感器通用技术规范

团体标准 强制性 现行

标准状态

  1. 发布于:
  2. 实施于:
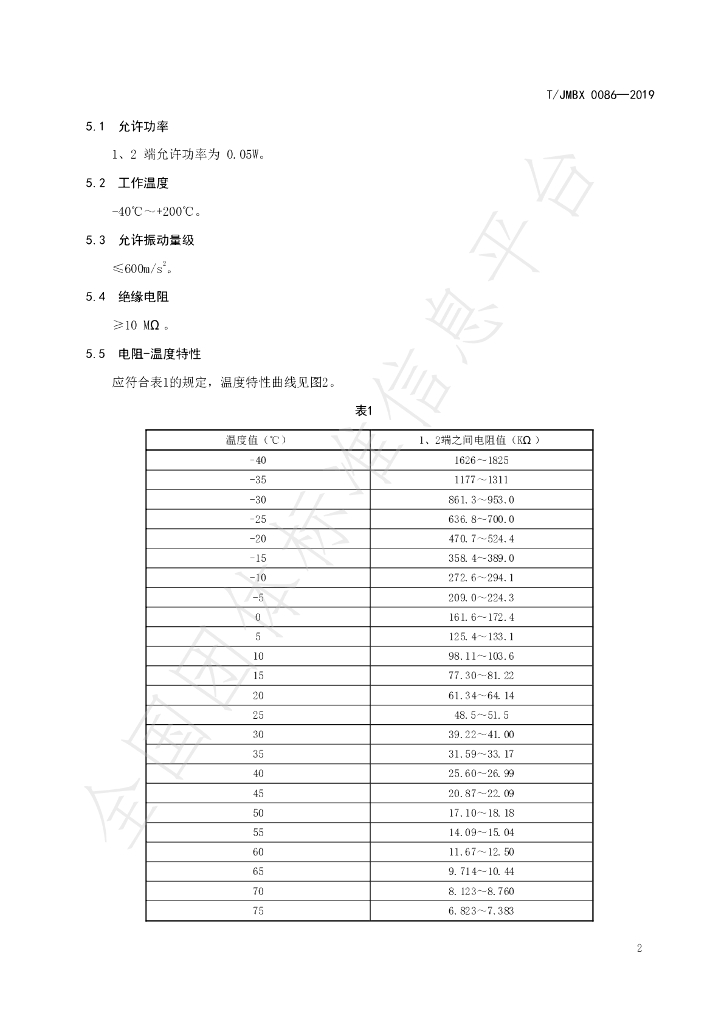
  3. 废止

标准详情

  • 中国标准分类号:
    国际标准分类号:43.040.10
  • 团体名称:江门市标准化协会

起草单位

江门市创新摩托车产业服务中心、凯晟动力技术(嘉兴)有限公司、江门鸿雅科技有限公司、江门气派摩托车有限公司、广东新日电动车有限责任公司、江门华联工业有限公司、上海叶盛电气有限公司、国家摩托车及配件质量监督检验中心、江门市标准化协会

起草人

刘大磊、张光宇、谭镜池、欧阳涛、王新奇、陈志贤、龚建华、赫强

标准预览(共 8 页)

* 特别声明:资源收集自网络或用户上传,版权归原作者所有,如侵犯您的权益,请联系我们处理。

  • 标准质量:
  • 文档详情:407.73KB 共 8 页 PDF

标准搜索