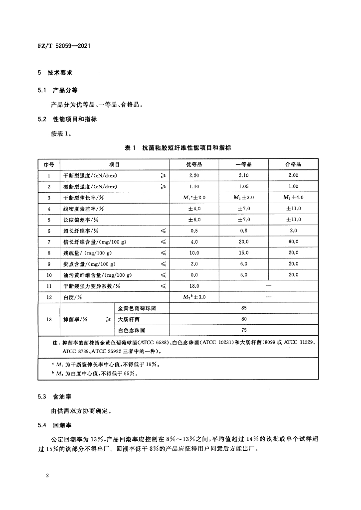
FZ/T 52059-2021 抗菌粘胶短纤维

行业标准 推荐性 现行

标准状态

  1. 发布于:
  2. 实施于:
  3. 废止

标准详情

  • 中国标准分类号:W52
    国际标准分类号:59.060.20
  • 提出单位:中国纺织工业联合会
    主管部门:工业和信息化部

起草单位

蔡志超、彭善俊、王琦、王太宗、贺敏、王兵、姜术丹、李德利

起草人

赛得利(九江)纤维有限公司、新疆中泰纺织集团有限公司、山东银鹰化纤有限公司、宜宾丝丽雅股份有限公司、赛得利(中国)纤维有限公司、赛得利(江苏)纤维有限公司、中国化学纤维工业协会

标准预览(共 7 页)

* 特别声明:资源收集自网络或用户上传,版权归原作者所有,如侵犯您的权益,请联系我们处理。

  • 标准质量:
  • 文档详情:3.56MB 共 7 页 PDF

标准搜索