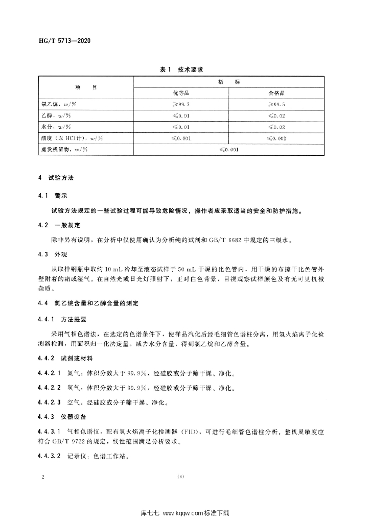
HG/T 5713-2020 工业用氯乙烷

行业标准 推荐性 现行

标准状态

  1. 发布于:
  2. 实施于:
  3. 废止

标准详情

  • 中国标准分类号:G17
    国际标准分类号:71.080.20
  • 提出单位:
    主管部门:工业和信息化部

起草单位

安徽金禾实业股份有限公司、安徽金轩科技有限公司、安徽立兴化工有限公司等

起草人

夏家信、肖建芳、程光锦 等

标准预览(共 11 页)

* 特别声明:资源收集自网络或用户上传,版权归原作者所有,如侵犯您的权益,请联系我们处理。

  • 标准质量:
  • 文档详情:7.03MB 共 11 页 PDF

标准搜索