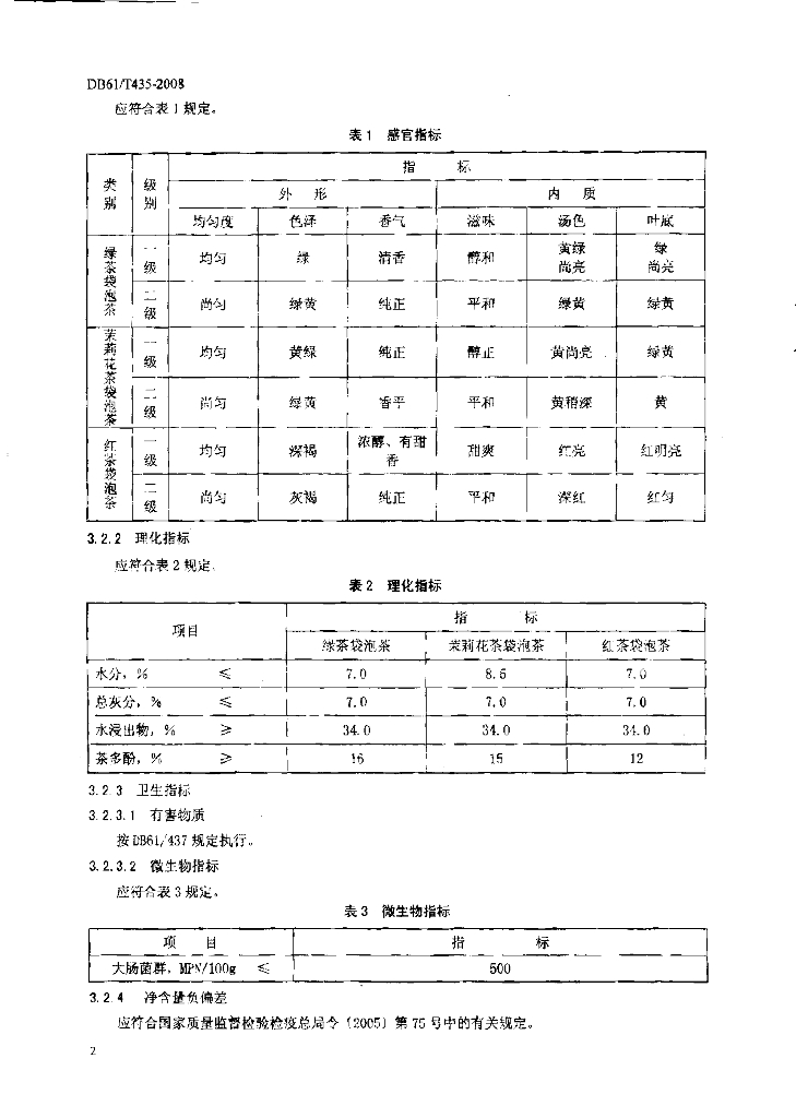
DB61/T 435-2008 袋泡茶

地方标准 陕西省 推荐性 已废止

标准状态

  1. 发布于:
  2. 实施于:
  3. 废止于:

标准详情

  • 中国标准分类号:B30
    国际标准分类号:65.020
  • 提出单位:
    主管部门:陕西省质量技术监督局

起草单位

陕西省产品质量监督检验所、陕西省茶叶协会、西安博雅茶叶有限公司

起草人

张建成、郑忠堂、徐金桥、陈勇、李晓、张莉、纪晓明、王鹏、王慧芳、张星明、樊成

标准预览(共 6 页)

* 特别声明:资源收集自网络或用户上传,版权归原作者所有,如侵犯您的权益,请联系我们处理。

  • 标准质量:
  • 文档详情:235.6KB 共 6 页 PDF

标准搜索