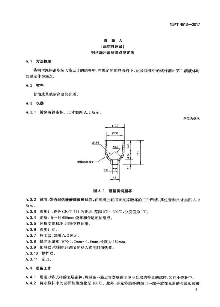
YB/T 4613-2017 钢丝绳用油脂

行业标准 推荐性 现行

标准状态

  1. 发布于:
  2. 实施于:
  3. 废止

标准详情

  • 中国标准分类号:H49
    国际标准分类号:77.140.65
  • 提出单位:
    主管部门:全国钢标准化技术委员会

起草单位

法尔胜泓昇集团有限公司、贵州钢绳(集团)有限责任公司、江苏泰尔新材料股份有限公司、上海迪冠邦钢缆油脂有限公司、冶金工业信息标准研究院。

起草人

朱维军、王奂、冯平、王发平 李廷强、陆雪峰、任翠英、殷淼、刘振利、王玲君。

标准预览(共 11 页)

* 特别声明:资源收集自网络或用户上传,版权归原作者所有,如侵犯您的权益,请联系我们处理。

  • 标准质量:
  • 文档详情:2.5MB 共 11 页 PDF

标准搜索