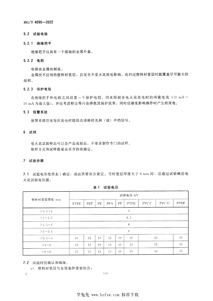
HG/T 4090-2022 塑料衬里设备 电火花试验方法

行业标准 推荐性 现行

标准状态

  1. 发布于:
  2. 实施于:
  3. 废止

标准详情

  • 中国标准分类号:G94
    国际标准分类号:71.120;83.140
  • 代替标准:HG/T 4090-2009
  • 提出单位:中国石油和化学工业联合会
    主管部门:工业和信息化部

起草单位

河南省锅炉压力容器安全检测研究院、宁波市特种设备检验研究院、广州特种承压设备检测研究院、四川省产品质量监督检验检测院、东莞市精建自动化设备有限公司、江苏安捷鹿检测科技有限公司、贵州鸿巨燃气热力工程有限公司、大庆市汇通建筑安装工程有限公司

起草人

王家帮、沈建民、辛明亮、吴映江、邱建道、何会杰、甄伟、范磊、林辉

标准预览(共 6 页)

* 特别声明:资源收集自网络或用户上传,版权归原作者所有,如侵犯您的权益,请联系我们处理。

  • 标准质量:
  • 文档详情:1.15MB 共 6 页 PDF

标准搜索